EasyManua.ls Logo

Marantz SR4320 - Connecting External Audio Components; Connecting Tape Decks and CD Recorders; Connecting Turntables and CD Players; External Amplifier and Equalizer Links

Marantz SR4320
25 pages
Print Icon
To Next Page IconTo Next Page
To Next Page IconTo Next Page
To Previous Page IconTo Previous Page
To Previous Page IconTo Previous Page
Loading...
8
ENGLISH
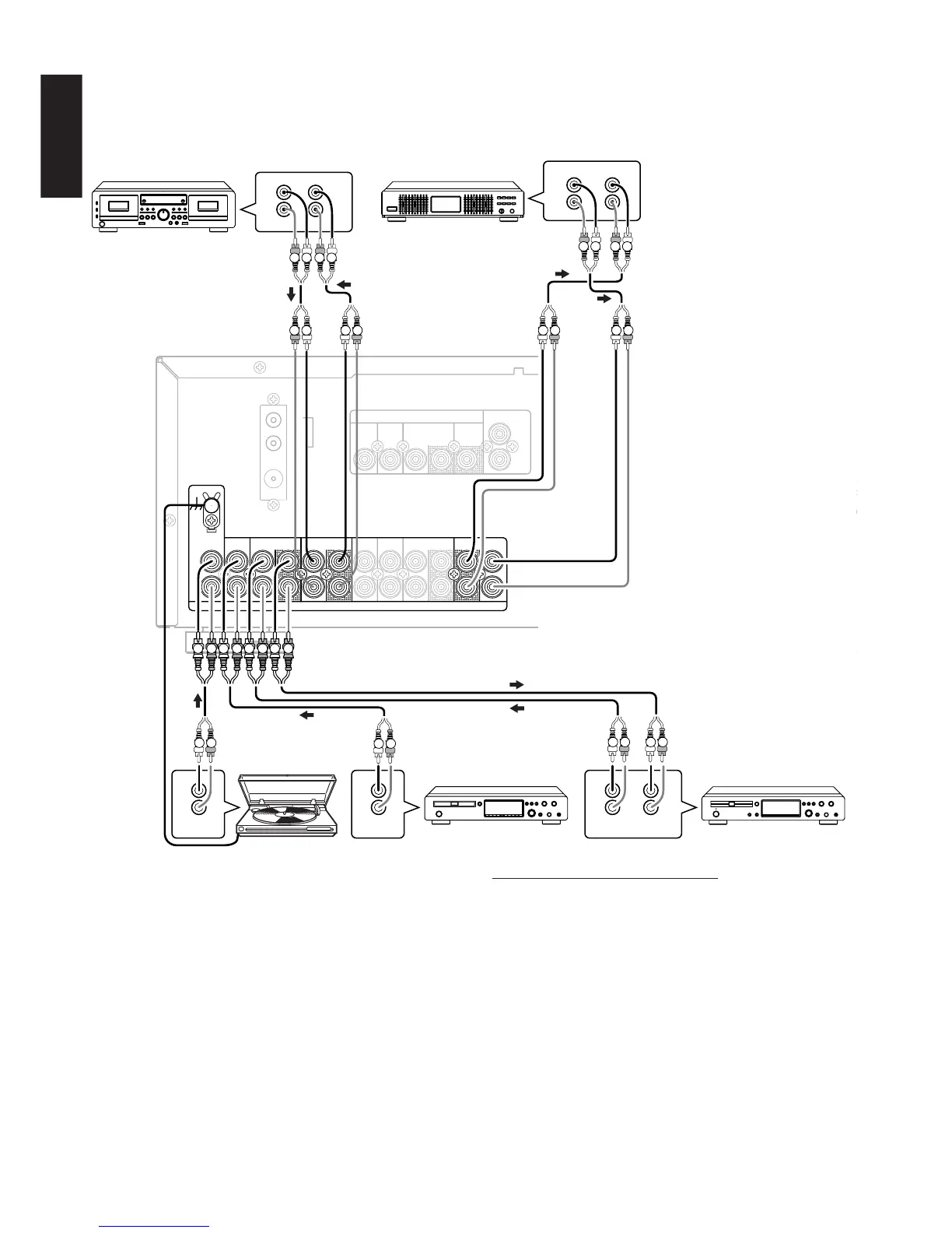
CONNECTING AUDIO COMPONENTS
The output audio signal from the TAPE OUT jack and the CD-R/MD OUT jack is the sound source currently selected.
CAUTION
Do not connect this unit and other components to mains power until
all connections between components have been completed.
Notes:
Insert all plugs and connectors securely. Incomplete connections
will result in the generation of noise.
Be sure to connect the left and right channels properly.
Red connectors are used for the R (right) channel, and white
connectors are used for L (left) channel.
Be sure to connect input and output properly.
Refer to the instructions for each component to be connected to
this unit.
Do not bind audio/video connection cables with power cords and
speaker cables. It will result in generating hum or other noise.
Remove the short pin when using the PRE OUT, MAIN IN terminals.
Connecting PRE OUT/MAIN IN jacks
Connecting with external power amplifier
This receiver has enough power for normal listening but PRE OUT jacks
are prepared to connect external power amplifiers for higher power
output. In such a case, connect these jacks to the MAIN IN jacks or
AUX IN jacks of the power amplifier.
Connecting with graphic equalizer
Use PRE OUT and MAIN IN jacks to connect a graphic equalizer or
other analog audio processor.
Note:
When not used, leave these jacks connected with the supplied
connecting pins.
SPEAKER SYSTEMS
SYSTEM A
:
MINIMUM 8 OHMS
SYSTEM B
:
MINIMUM 8 OHMS
SYSTEM A
LR
SYSTEM B
RL
VIDEO
OUT
IN
REMOTE
CONTROL
OUTIN
MONITOR
OUT
DVD
IN
DSS
IN
VCR
GND
AUDIO
R
OUTIN
OUT
IN
OUTIN
MAIN
IN
DVD
IN
DSS
IN
PHONO
IN
VCRTAPECDR
/
MD
AC OUTLETS
120V 60Hz
FM
(
75
)
GND
AM
ANTENNA
L
CD
IN
PRE
OUT
SWITCHED
120W 1A MAX
UNSWITCHED
120W 1A MAX
MODEL N
O
SERIAL NO.
AC 120V
MADE
I
MAIN
IN
PRE
OUT
OUT
IN
TAPE
R
OUTIN
PHONO
IN
CDR
/
MD
L
CD
IN
GND
AUDIO
L
R
L
R
OUT IN
L
R
L
R
OUT IN
L
R
OUT
L
R
OUT
L
R
L
R
OUT IN
RL RL
RLRL
RLRL
RL
RL
RL
L R L R L R L R
RL RL RL
Tape deck
Graphic equalizer
or
processor
Turn table
CD player
CD recorder

Other manuals for Marantz SR4320

Related product manuals