EasyManua.ls Logo

Marantz SR5014 - Diagnostic Path Diagram

Marantz SR5014
178 pages
Print Icon
To Next Page IconTo Next Page
To Next Page IconTo Next Page
To Previous Page IconTo Previous Page
To Previous Page IconTo Previous Page
Loading...
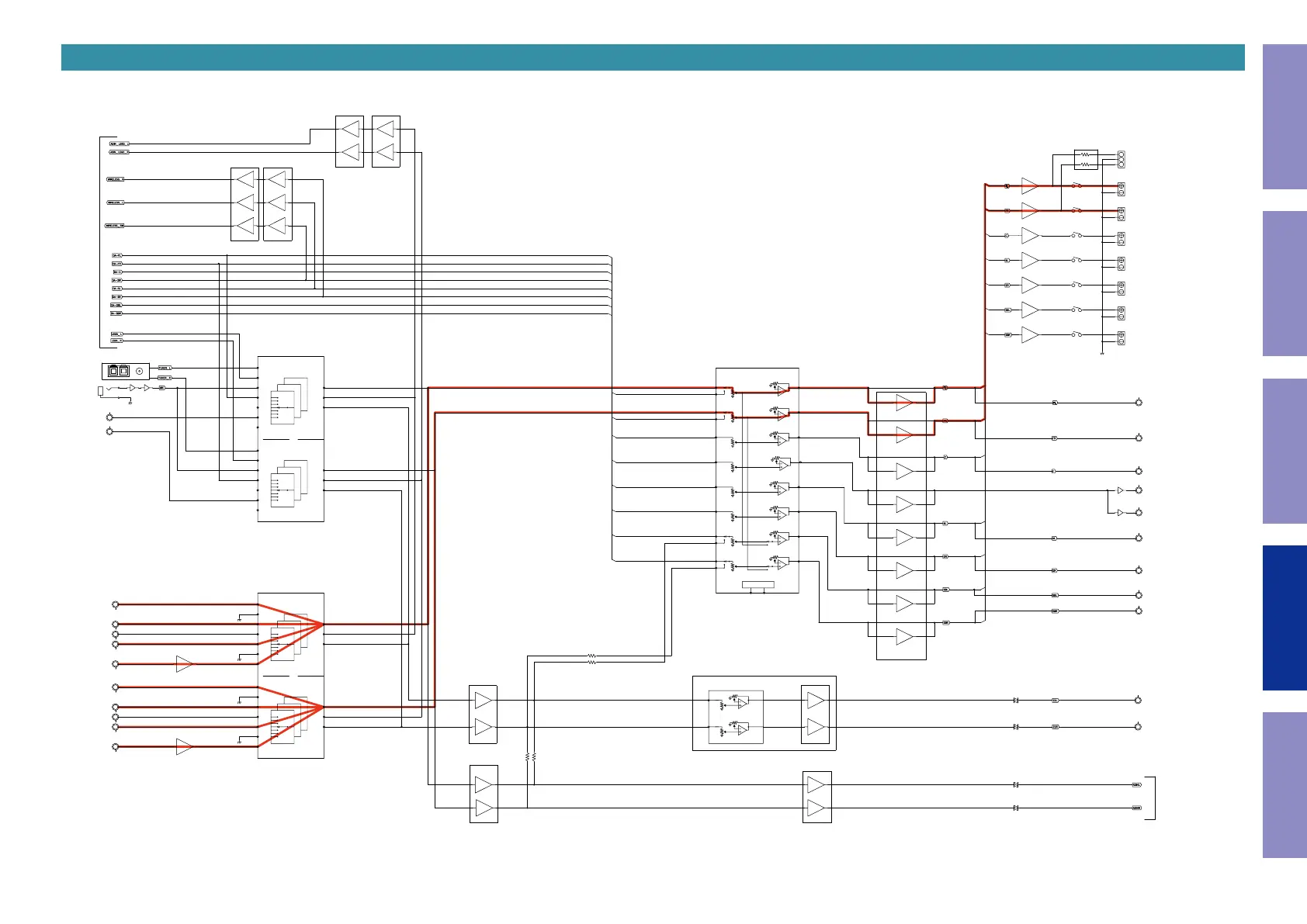
DIAGNOSTIC PATH DIAGRAM
g.A01
OPEN
SL
C
FL
SAT_L
DVD_L
BD_L
PHONO_R
CD_R
VAUX_L
MAIN_AD_IN_R
ZONE2_L
LEGO_AD_IN_L
MAIN_AD_IN_R
ZONE2_L
INVERTING BUFFER
BUFFER
DA_SBL
DA_SW
DA_FL
ZONE2_R
ZONE2_L
DA_FR
DA_FL
GAIN
ATT
Z2R
SL
FR
FL
SR
SL
C
FR
FL
H/P-R
PHONO_L
CD_L
SAT_R
DVD_R
BD_R
VAUX_R
INVERTING
(OPEN)
LEGO_AD_IN_R
ZONE2_R
MAIN_AD_IN_L
ZONE2_R
BUFFER
OPEN
DA_SR
DA_SL
DA_SBR
DA_C
DA_FR
DA_SBR
DA_SBL
DA_SR
DA_SL
DA_SW
DA_C
MAIN_R
MAIN_L
HDAM &Current FB
SBR
SR
SBL
FR
Z2L
SBL
SR
C
H/P-L
PREOUT
TO DIGITAL AUDIO BLOCK
ALL MODEL : FM/AM
INVERTING
SW2
SW1
SBR
(FR-B/FR-H/BI-AMP/ZONE)
SBL
(FL-B/FL-H/BI-AMP/ZONE)
MIC
(Mini Jack)
TUNER
7-INPUT/3-OUT
NJU72750AV
BUFFER
(OPEN)
ZONE2 OUT
SBR
SPK OUT
HEADPHONE
OUT
ANALOG
INPUT
7-INPUT/3-OUT
NJU72750AV
OutB3
OutA2
OutA1
OutB2
OutB1
OutA3
InB6
InB5
InB2
InB1
InA7
InA4
InA3
InB4
InB7
InB3
InA5
InA6
InA1
InA2
7-INPUT/3-OUTPUT
NJU72750
OutB3
OutA2
OutA1
OutB2
OutB1
OutA3
InB6
InB5
InB2
InB1
InA7
InA4
InA3
InB4
InB7
InB3
InA5
InA6
InA1
InA2
7-INPUT/3-OUTPUT
NJU72750
AVR_S930H EXCEPT
LEGO_AD_IN_R
MAIN_AD_IN_L
LEGO_AD_IN_L
8-CH VOLUME
NJU72343
TO DIGITAL
AUDIO BLOCK
BD3812F
OutD
InH2
InH1
InG2
InG1
InF
InE
InD
InC
InB2
InA2
OutH
OutG
OutF
OutE
OutC
InA1 OutA
InB1 OutB
Control Logic
8-CH VOLUME
NJU72343
OUT1
OUT2
IN1
IN2
SR5014 ANALOG AUDIO DIAGRAM
Before Servicing
This Unit
Electrical Mechanical Repair Information Updating
146

Other manuals for Marantz SR5014

Related product manuals