EasyManua.ls Logo

Marantz SR5014 - Power Diagram

Marantz SR5014
178 pages
Print Icon
To Next Page IconTo Next Page
To Next Page IconTo Next Page
To Previous Page IconTo Previous Page
To Previous Page IconTo Previous Page
Loading...
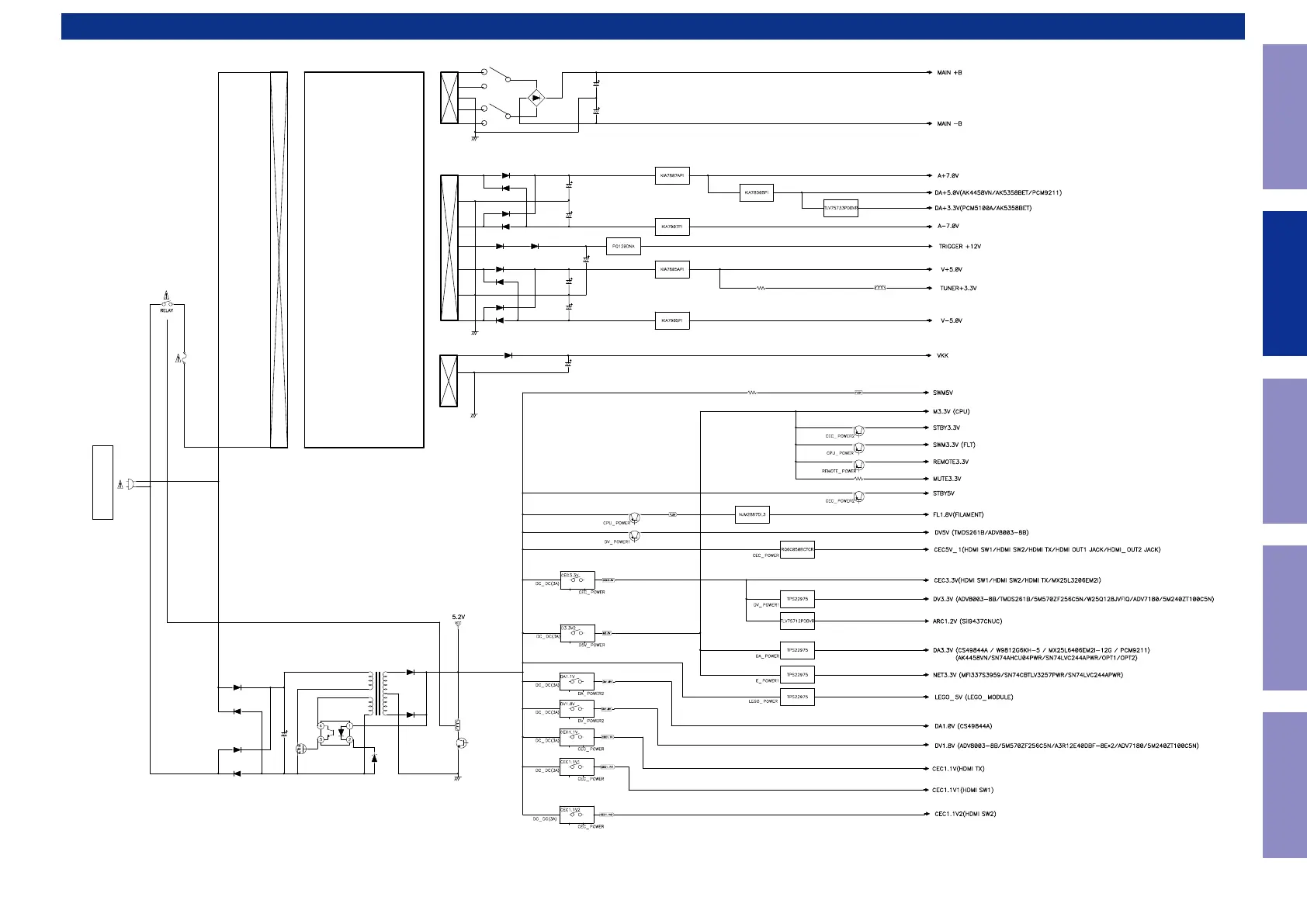
POWER DIAGRAM
R1825 0
R1800 0
S2(+8V,-8V)
R4032 JUMPER
MAIN TRANS
S1(AMP +B)
MAIN PWR ON
AC CORD
SR5014 VCC DIAGRAM
Before Servicing
This Unit
Electrical Mechanical Repair Information Updating
54

Other manuals for Marantz SR5014

Related product manuals