EasyManua.ls Logo

Marantz SR5014 - Page 158

Marantz SR5014
178 pages
Print Icon
To Next Page IconTo Next Page
To Next Page IconTo Next Page
To Previous Page IconTo Previous Page
To Previous Page IconTo Previous Page
Loading...
g.V01
Cr
Cr
IN2
Cb
Y
Y
36 36
IN0
IN1
0.1U
0.1U
FRONT USB
Cb
RX+/-
COMP1-Y
VIN3
VIN5
COMP1-Cr
COMP2-Cb
COMP1-Cb
COMP2-Y
COMP1-Y
IN1
IN2
IN3
IN0
IN3
SW1
SW1
SW2
V03
V01
OUT
VINC
VINB
Cr
Cb
OUT
TMDS OUTPUT
TX+/-
COMP2-Y
COMP2-Cr
COMP1-Cr
VIN1
VIN2
VIN4
COMP2-Cr
IN0
IN1
IN2
SW2
OUT
SW5
SW3
SW4
V02
3636
VINA
OUT
TMDS OUT
Y
OUT
TMDS OUTPUT
IN2
(DVD)
FRONT
(V.AUX)
0.1U
0.1U
GND
DATA-
VBUS
DATA+
COMP2-Cb
COMP1-Cb
USB_VBUS_ON/OFF
LEGO_PCK
LEGO_VSYNCLEGO_VSYNC
LEGO VIDEO(24BIT)
OUT1
OUT0
OUT1
TMDS OUT
39
39
TMDS OUT
CVBS IN HDMI IN
IN1
(CBL/SAT)
IN2
(DVD)
USB_Tx_Rx
RJ-45
HDMI7
HDMI6
HDMI4
HDMI2
FRONT HDMI
INPUT SELECT
V PLD
5M240ZT100C5N
LEGO_HSYNC
LEGO_EN
HDMI2.0 RX
MN864788
(HDCP 2.2 : 4 INPUTS)
TMDS OUT
OUT0
39
39
HDMI SWITCH
TMDS261B
A3R12E40DBF-8E
HDMI i/p Scaler_TX_OSD
ADV8003-8B
(AD55-058Z-0)
OSD
W25Q128JVFIQ
MX25L3206EM2I
4K OSD
HDMI OUT2 HDMI OUT1
COMPONENT IN
IN1
(CBL/SAT)
HDMI5
LEGO
NETWORK MEDIA
MODULE
HDMI1
HDMI3
HDMI2.0 RX
MN864788
(HDCP 2.2 : 4 INPUTS)
VIDEO DECODER
ADV7180
HDMI2.0 TX
MN864788
Wi-Fi BT ANT
A3R12E40DBF-8E
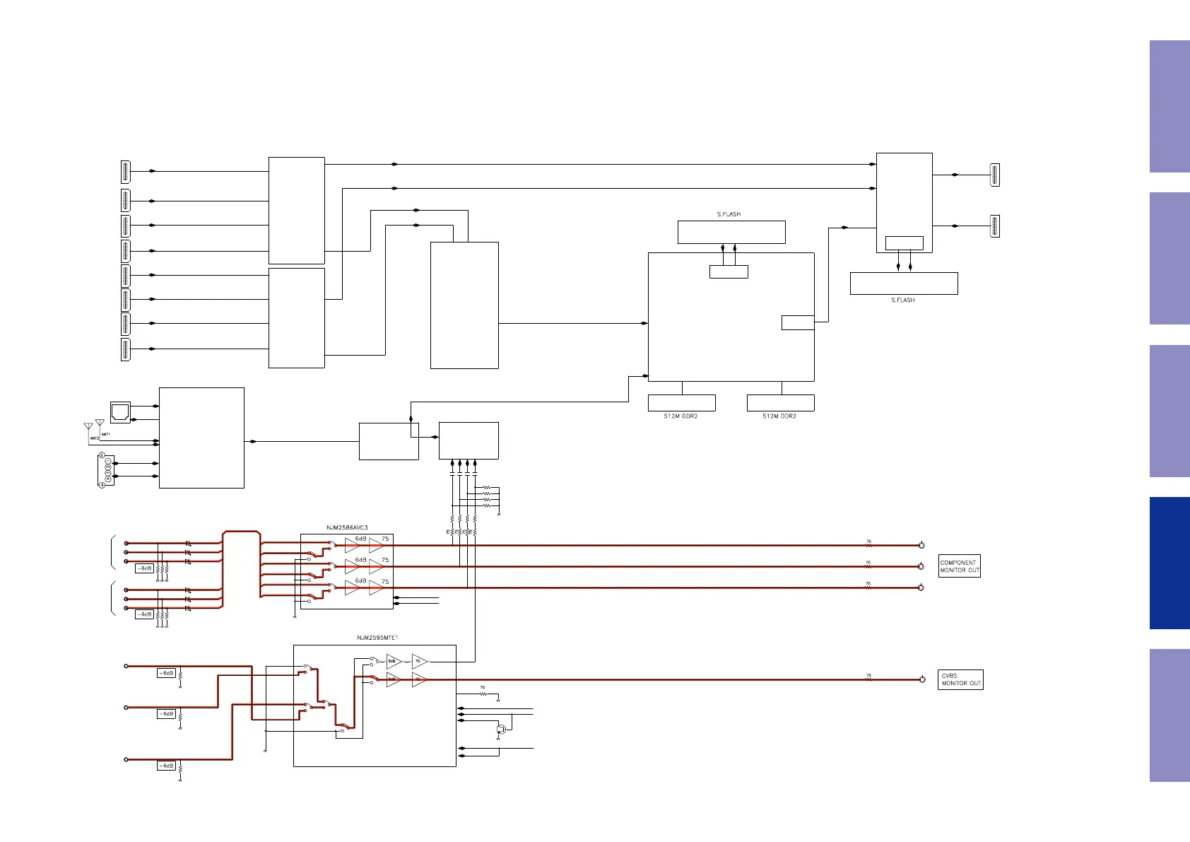
SR5014 VIDEO DIAGRAM
Before Servicing
This Unit
Electrical Mechanical Repair Information Updating
158

Other manuals for Marantz SR5014

Related product manuals