EasyManua.ls Logo

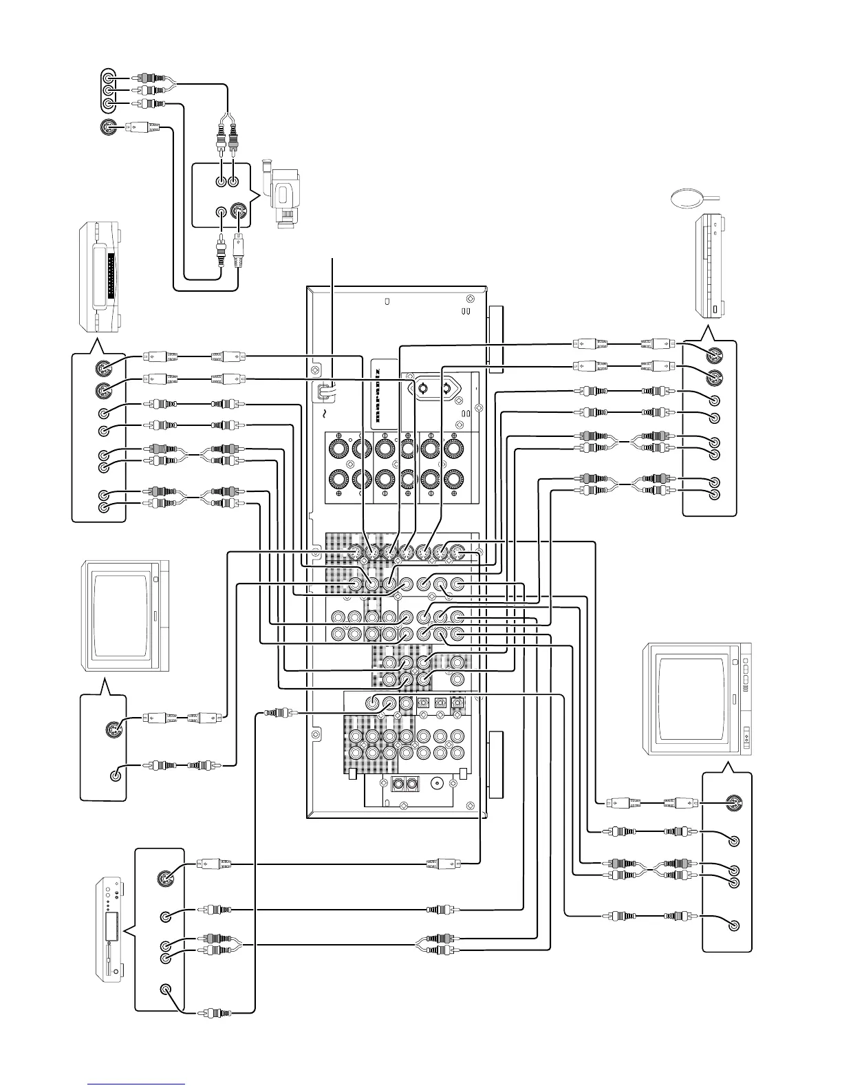
Marantz SR5200 - REAR PANEL CONNECTIONS

Marantz SR5200
34 pages
Print Icon
To Next Page IconTo Next Page
To Next Page IconTo Next Page
To Previous Page IconTo Previous Page
To Previous Page IconTo Previous Page
Loading...
iv
(75
)
GND
AM
FM
AUDIO
CENTER
REMOTE CONTROL
OUT
CENTER
SURR.
CENTER
SURR.
100W MAX
SWITCHED
LR
SPEAKER SYSTEMS
AC OUTLET
(230V 50Hz)
CENTERSURR.CENTER
SURROUND
FRONT
OUT
VCR1
OUT
VCR2
DSS
/
TOR
MONI
S-VIDEO
VIDEO
OUTOUT
OUT
VCR2
DSS/
OUT
VCR1
MONITOR
VCR2
DSS/
TV
DVD
VCR1
IN
TV
VCR1
DVD
VCR2
DSS/
ININ
TV
DVD
VCR1
VCR2
DSS/
OUT
TAPE
TAPE
/MD
CDR
CD
RL
IN
VCR2
DSS/
VCR1
OUT
RL
IN/ OUT
DIGITAL
DIG.OUT OPT
DIG- 1 IN
DIG- 2 IN
DIG.OUT COAX
DIG
-3 IN
DIG- 4 IN
FRONT
SURR.
CENTER
SURR.
FRONT
WOOFER
SUB
WOOFER
SUB
RL
RL
OUT
PRE
INPUT
7CH
ANTENNA
/MD
CDR
SR5200
VIDEO
OUT
AUDIO
OUT
AUX INPUT
VIDEOS-VIDEO L AUDIO R
(FRONT AUX CONNECTIONS)
L
R
VIDEO CAMERA
MONITOR TV
S-VIDEO
IN
VIDEO
IN
CVBS
LR
AUDIO
OUT
VIDEO
OUT
S-VIDEO
OUT
TV
LR
AUDIO
OUT
DIGITAL
OUT
VIDEO
OUT
S-VIDEO
OUT
DVD PLAYER
LR
AUDIO
OUT
AUDIO
IN
LR
VIDEO
OUT IN
S-VIDEO
OUT IN
DIGITAL
OUT
SATELLITE TUNER or VCR2
LR
AUDIO
OUT
AUDIO
IN
LR
VIDEO
OUT IN
S-VIDEO
OUT IN
VCR
VIDEO SYSTEM CONNECTIONS FOR VIDEO COMPONENTS
To household
power outlet

Other manuals for Marantz SR5200

Related product manuals