EasyManua.ls Logo

Marantz SR5200 - Page 6

Marantz SR5200
34 pages
Print Icon
To Next Page IconTo Next Page
To Next Page IconTo Next Page
To Previous Page IconTo Previous Page
To Previous Page IconTo Previous Page
Loading...
v
(75
)
GND
AM
FM
AUDIO
CENTER
REMOTE CONTROL
OUT
100W MAX
SWITCHED
LR
SPEAKER SYSTEMS
AC OUTLET
(230V 50Hz)
CENTER
SURROUND
FRONT
OUT
VCR1
OUT
VCR2
DSS
/
TOR
MONI
S-VIDEO
VIDEO
OUTOUT
OUT
VCR2
DSS
/
OUT
VCR1
MONITOR
VCR2
DSS
/
TV
DVD
VCR1
IN
TV
VCR1
DVD
VCR2
DSS
/
ININ
TV
DVD
VCR1
VCR2
DSS/
OUT
TAPE
TAPE
/MD
CDR
CD
RL
IN
VCR2
DSS/
VCR1
OUT
RL
IN/ OUT
DIGITAL
DIG.OUT OPT
DIG
-1 IN
DIG- 2 IN
DIG.OUT COAX
DIG- 3 IN
DIG- 4 IN
FRONT
SURR.
CENTER
SURR.
FRONT
WOOFER
SUB
WOOFER
SUB
RL
RL
OUT
PRE
INPUT
7CH
ANTENNA
/MD
CDR
SR5200
CENTER
SURR.
CENTER
SURR.
SURR.CENTER
OUT IN
L
R
L
R
NORMAL
INPUT
INVERT
OUTPUT
CD PLAYER
SUBWOOFER
AMPLIFIER
(MA6100)
FM EXTERNAL ANTENNAFM FEEDER ANTENNA
AM EXTERNAL ANTENNAAM LOOP ANTENNA
SURROUND
SPEAKER
CENTER
SPEAKER
SPEAKER SYSTEM
FM antenna converter plug (attached)
When using the FM antenna
attach to this apparatus
(R)
(R)
(L)
(L)
OUTPUT
L
R
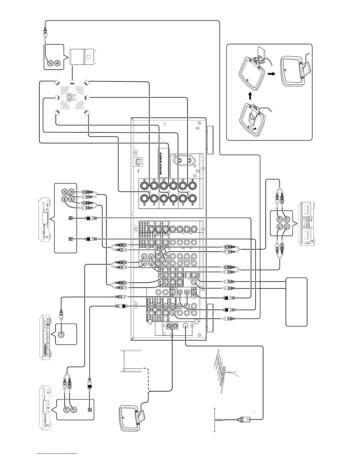
AUDIO SYSTEM CONNECTIONS FOR AUDIO COMPONENTS
MD PLAYER
TAPE DECK
DIGITAL
INPUT
DIGITAL
OUTPUT
Assemble the AM loop antenna as
shown in the figure before use
SUB
WOOFER
CD RECORDER
OUT IN
L
R
L
R
To a component with REMOTE
(Marantz RC-5 D-BUS) jacks
Refer to "CONNECTION FOR A
SUBWOOFER" (Page 6)
DIGITAL
OUTPUT
DIGITAL
INPUT

Other manuals for Marantz SR5200

Related product manuals