EasyManua.ls Logo

Marantz SR5400 - DSP PCB Schematics

Marantz SR5400
80 pages
Print Icon
To Next Page IconTo Next Page
To Next Page IconTo Next Page
To Previous Page IconTo Previous Page
To Previous Page IconTo Previous Page
Loading...
17 18
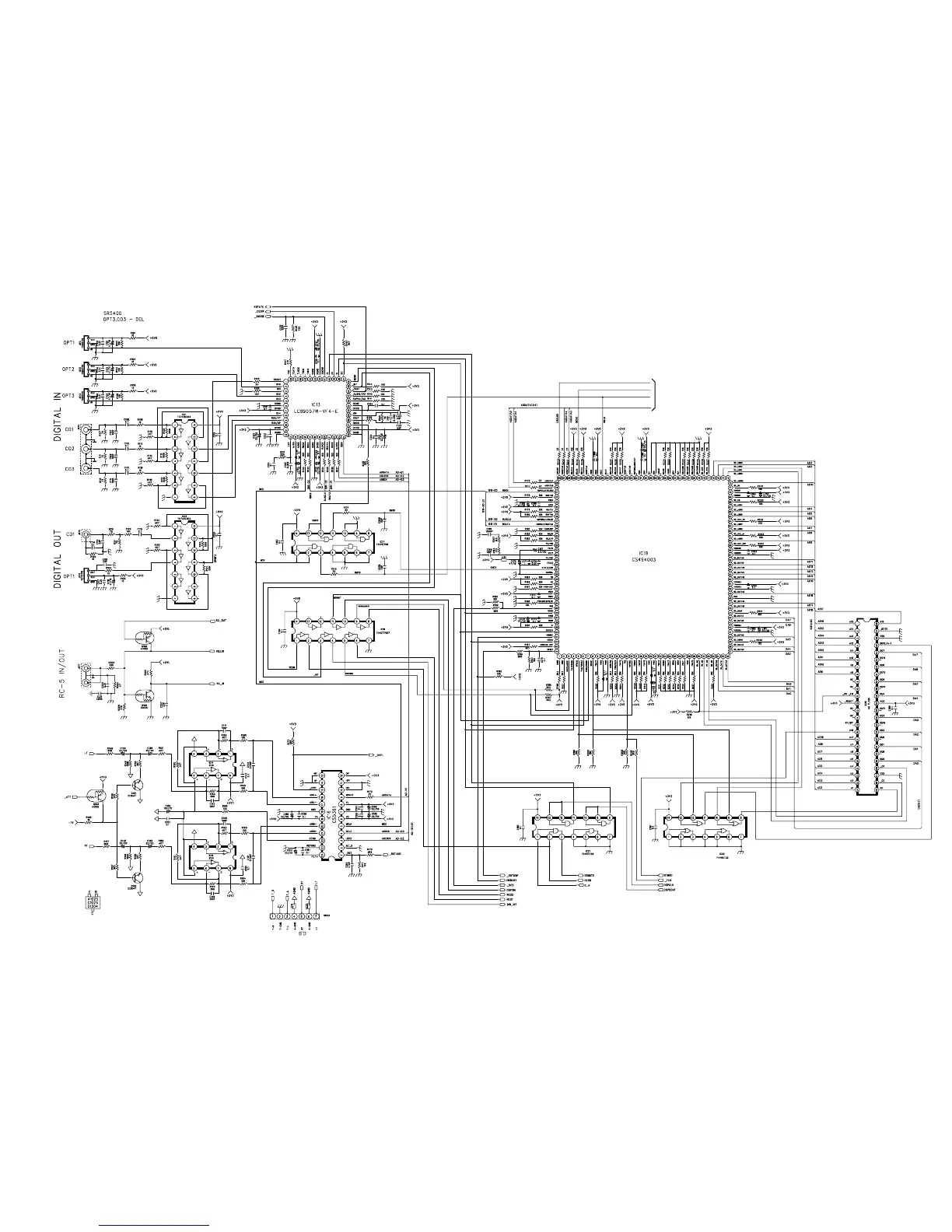
DSP PCB -1/2
TO CNT
DSP PCB -2/2

Other manuals for Marantz SR5400

Related product manuals