EasyManua.ls Logo

Marantz SR5400 - Page 15

Marantz SR5400
80 pages
Print Icon
To Next Page IconTo Next Page
To Next Page IconTo Next Page
To Previous Page IconTo Previous Page
To Previous Page IconTo Previous Page
Loading...
21 22
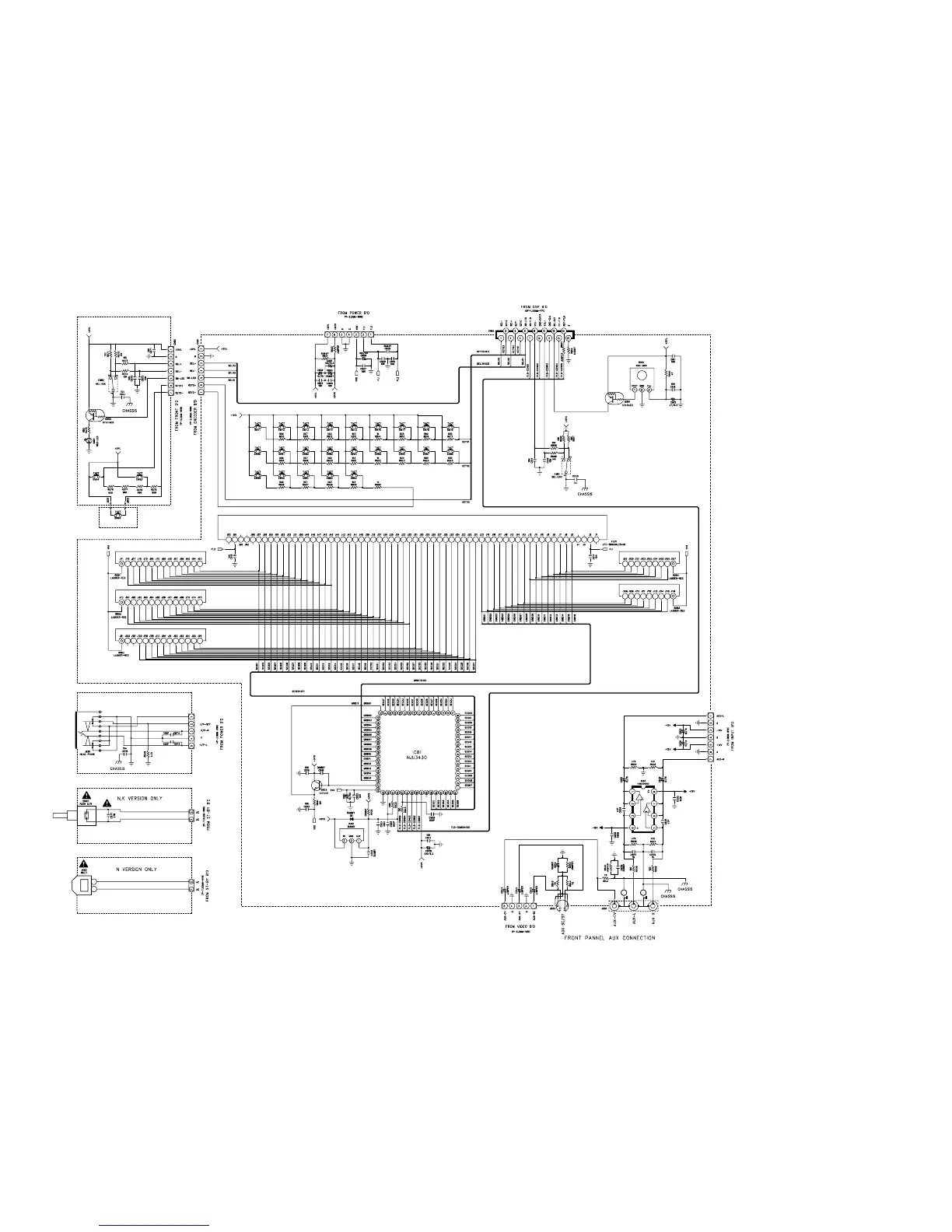
BN14
BN17
BN88BN92
BN11
BN12
ENCODER PCB
FRONT PCB
H/P PCB
PUSH S/W PCB
INLET PCB

Other manuals for Marantz SR5400

Related product manuals