EasyManua.ls Logo

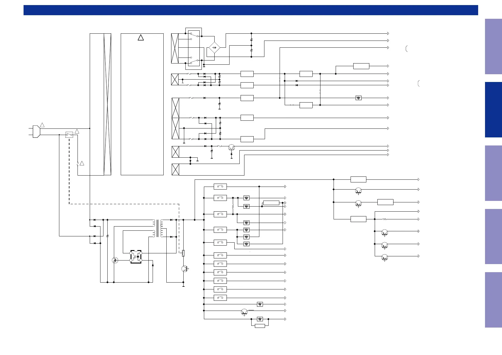
Marantz SR6011 - Power Diagram

Marantz SR6011
197 pages
Print Icon
To Next Page IconTo Next Page
To Next Page IconTo Next Page
To Previous Page IconTo Previous Page
To Previous Page IconTo Previous Page
Loading...
POWER DIAGRAM
!
!
!
SR6011 POWER BLOCK DIAGRAM
B+
B-
AC CORD
RELAY
MAIN TRANS
!
S6(FILAMENT)
S5(FL+Vdisp)
S2(+8V,-8V)
S1(AMP+B,-B)
KIA7807BPI
KIA7907PI
FILAMENT AC
A+5V (DIR, DAC1,DAC2,ADC)
Vdisp(+42V)
KIA7805BPI
MAIN PWR ON
S3(VIDEO)
FILAMENT AC
KIA7905PI
-5VV
KIA7805BPI
A+7V (A. AUDIO PART)
A-7V (A. AUDIO PART)
(NJM2595MTE1 1EA + NJM2586AVC3 1EA)
AV+3.3V
TRIGGER +12V
USB +5V
VBUS
FRONT USB
150mA
178mA
38mA
8mA
Q1121
BD82065
1A
+12V(RELAY)
VIDEO+5V
VIDEO-5V
D5.2V
CPU POWER
KIA7805BPI
50mA
A.TUNER +5V
CEC_STBY_+5V
CEC BUFFER, SN74CBT3251PWR
CEC_POWER2
HI+B
HI-B
IC503
BU33TD3WG
+3.3V (Z2 DAC)
33mA
IC323
IC931IC936
IC937
IC932
IC934
IC935
0mA
KIA7812BPI
IC933
S4(ETC)
261mA
NET 3.3V
DA 3.3V
DV 3.3V
CEC 3.3V
DV_PO WER2
DV 1.8V
ADV7850/512M_DDR2*2/
D1.8V-1
IC112
IC111
Q1103
D3.3V-1
1.394A
0.44A
1.83A
1.834A
0.0025A
LOW-B
LOW+B
RY931
0.556A
D3.3V-2
NET1.8V
1.306A
0.25A
NET1.8V
0.3A
NET1.25V
0.183A
NET2.5V
1A
DA1.1V_1
1.62A
CEC1.1V-1
1.62A
CEC1.1V-2
1.54A
CEC1.1V-3
NET1.25V
NET2.5V
DA1.1V_1
CEC1.1V-1
CEC1.1V-2
CEC1.1V-3
C
Y920/256M S.FLASH/APPLE
PCM9211/LC89091/APLD
ADV7850/VPLD/128M S.FLASH
AD8195/
CY920
CY920
CY920
DSP1,2(400MHz)
MN864788(HDMI SW1)
MN864788(HDMI SW2)
MN864787(HDMI TX)
DA_POWER DIGITAL POWER(DA3.3V,DA1.1V) ON/OFF Switched("H"=ON)
CEC_POWER For CEC STANDBY POWER ON (CEC5V, CEC3.3V, CEC1.8V, CEC1.1V) ※CEC STANDBY:MODE1=H, MODE2=H, MODE3=L
DV_POWER1 DIGITAL VIDEO POWER Control terminal(DV5V,DV3.3V)
DV_POWER2 DIGITAL VIDEO POWER Control terminal(DV1.8V)
E POWER1
E POWER2
E POWER3
E POWER4
ETHER POWER Control terminal (CY920)(3.3V For control)
ETHER POWER Control terminal (CY920)(2.5V For control)
ETHER POWER Control terminal (CY920)(1.8V For control)
ETHER POWER Control terminal (CY920)(1.25V For control)
D5V POWER Digital 5V Control terminal (5V→ 3.3V, 1.8V)
E_POWER2
D5V_POWER
E_POWER4
DV POWER 1
DA_PO WER
C
EC POWER
CEC POWER
CEC POWER
DA_PO WER
(OPEN)
D5V_POWER
CEC_POWER
DSP*4/SDRAM*4/S.FLASH*4
PCM1690*2/TC74VHCU04
NJM2845DL118
DA1.8V
1.862A
DA_PO WER
(OPEN)
0.04A
IC113
IC114
IC115
IC116
IC117
IC119
IC120
IC121
Q1106
Q1104
FL5V
Q1102
E POWER3
0.21A
AD55/058Z-0(ADV8003-8B)
AD55/058Z-0(ADV8003-8B)
CS210010-CZZR
APLD
Q1101
E_POWER1
MN864788*2/MN864787*1
DA_POWER2 DIGITAL POWER Control terminal (DA1.1V) ON/OFF Switched("H"=ON)
CPU_POWER MAIN CPU POWER Control terminal (POWER ON="H") (Case of CEC ON STANDBY="H")
REMOTE_POWER MAIN CPU POWER Control terminal (ON="H")
CEC_POWER2 CEC STANDBY POWER Control (CEC STANDBY MODE=3)
211mA
Q1105
DV_PO WER2
1A
DA1.1V_2
DA1.1V_2
DSP3,4(400MHz)
DA_PO WER
IC118
Q1133
38mA
38mA
512.6mA
251.6mA
578mA
251.6mA
SPK Relay(5EA)+ Small Relay(1EA)+H/L Relay(1EA)+Fan(2EA)
222.5 + 12.5 + 33 + 160 = 428mA
428mA
NJU72750V(3EA) + NJU72751V(1EA) + NJU72343V(2EA)+
NJW1194(1EA)+OPAMP(19EA)+HDAM= 2.4+0.8+42+12+114
251.6mA
38mA
Z2_CEC5V
CEC POWER
Q1107
Z2 HDMI
AD8195/ADV7850/CEC +5V
0.01A
BD2248G-GTR
IC124,(OPEN)
MN864788*2/MX864787*1
CEC POWER
Q1108
NJM2845DL133
M3.3V
MUTE3.3V
SWM3.3V
REMOTE 3.3V
REMOT E POWER
CPU POWER
MCU/EEPROM/PWR LED/IR SENSOR
MUTE/EXPANDER*1
LEVEL CHG/VFD/MDAX LED/ DIRECT LED
IC123
Q1125
Q1127
0.58A
ILX3232D
EXPANDER*7
0.075A
0.099A
0.75A
CEC BUFFER
CEC_POWER2
Q1123
CEC_STBY_3.3V
SN74LVC244APWR
DV5.0V
Q1151
ADV7850
0.045A
DV POWER 1
AD55/058Z-0(ADV8003-8B)/
OPEN
0.148A
NJM2887
IC603
SMALL VFD
1.92A
0.0025A
12+74+74+18=178mA
15+23=38mA
(NJM2595MTE1 1EA + NJM2586AVC3 1EA) 15+23=38mA
7.32A 5.40A
0.73A
1.34A
1.36A
0.10A
0.08A
0.10A
0.24A
0.24A
0.39A
0.39A
0.37A
+80.4=251.6mA
(3.03A)
(3.12mA)
(1.12mA)
(0.09mA)
(6.52mA)(0.069A)
(0.154A)
(3.50mA)
(1.23A)
(9.83mA)
(0.04mA)
(0.03mA)
(0.207A)
(0.054A)
(0.033A)
(0.120A)
(0.030A)
(0.112A)
(0.185A)
(0.745A)
(0.141A)
(0.575A)
(0.113A)
(0.212A)
(0.092A) (0.325A)
(0.036A)
(0.126A)(0.162A)
(0.067A)
(0.334A)
(0.479A)
(0.320A)
(0.771A)
(0.293A)
(0.427A
)
(1.672A)
(0.035A)
(0.389A)
(0.085A)
(42mA)
(43mA)
(450mA)
(253mA)
(487mA)
(230mA)
(24.7mA)
(165mA)
(34.5mA)
(189.7mA)
(243.8mA)
(243.3mA)
(42mA)
(43mA)
(146.3mA)
(294mA)
(7.40mA)
(58mA)
Current value
Max Current (Safety Standard Condition)
2
4
3
1
D
G
S
43
2 1
OPEN
JMP
JMP
OPEN
0
64
Caution in
servicing
Electrical Mechanical Repair Information Updating

Other manuals for Marantz SR6011

Related product manuals