EasyManua.ls Logo

Marcy B80 - Exploded Diagram

Marcy B80
27 pages
Print Icon
To Next Page IconTo Next Page
To Next Page IconTo Next Page
To Previous Page IconTo Previous Page
To Previous Page IconTo Previous Page
Loading...
www.puretecfitness.com
22
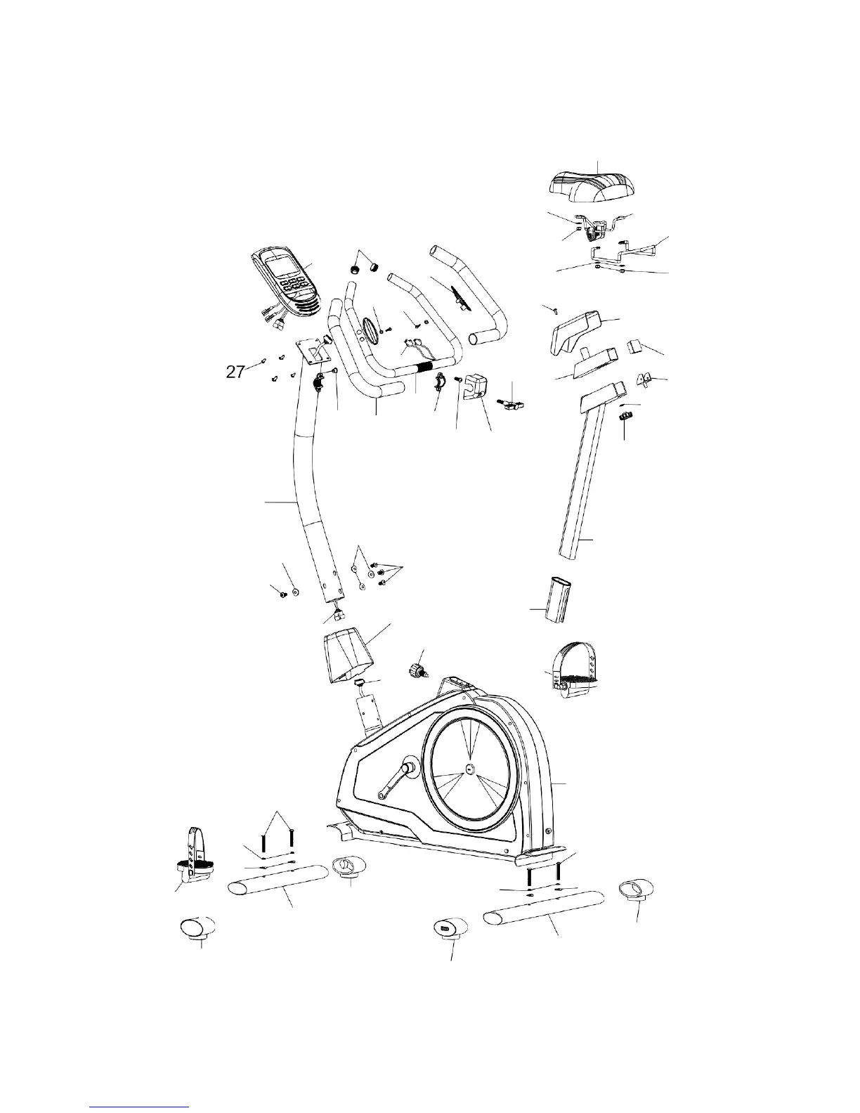
EXPLODED DIAGRAM
8
29
6
26
31
30
35
75
76
54
35
54
39
20
5
32
28
25
22
12
19
21
13
14
35
37
36
4
16
7
16
18
18
33
38
17
11
34
10
15
73
9
16
23L
2
23R
1
15
73
16
3
24
24

Related product manuals