EasyManua.ls Logo

Marcy ECLIPSE RS7000 - Page 26

Marcy ECLIPSE RS7000
42 pages
Print Icon
To Next Page IconTo Next Page
To Next Page IconTo Next Page
To Previous Page IconTo Previous Page
To Previous Page IconTo Previous Page
Loading...
Marcy Fitness www.marcyfitness.co.uk
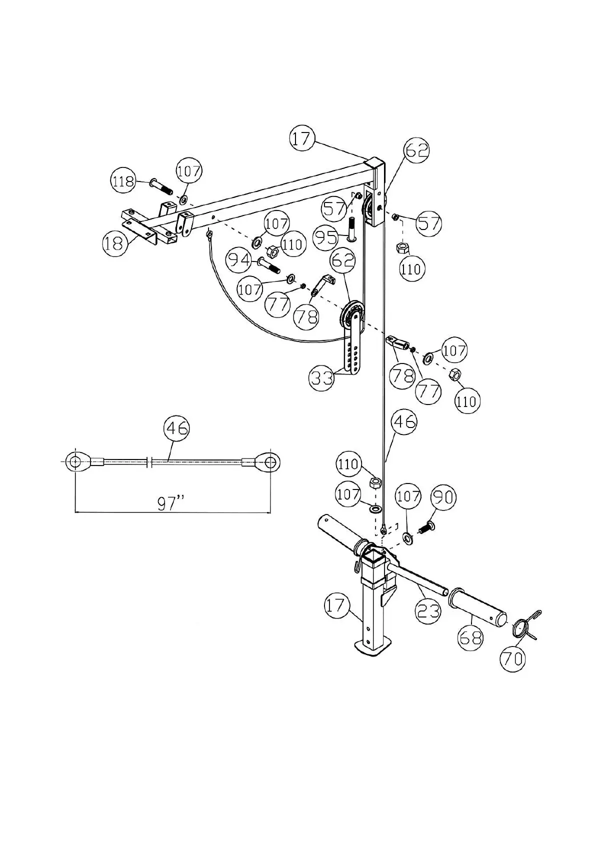
DIAGRAM 8
22

Related product manuals