EasyManua.ls Logo

marklin S88 AC - Voorbeelden Voor Het Aansluiten Van Meldcontacten

marklin S88 AC
Print Icon
To Next Page IconTo Next Page
To Next Page IconTo Next Page
To Previous Page IconTo Previous Page
To Previous Page IconTo Previous Page
Loading...
18
1
2 3
4
5
6
7
8
T
T
9
10
11
12
13
14
15
16
1
2 3
4
5
6
7
8
T
T
9
10
11
12
13
14
15
16
S88 AC
S88 AC
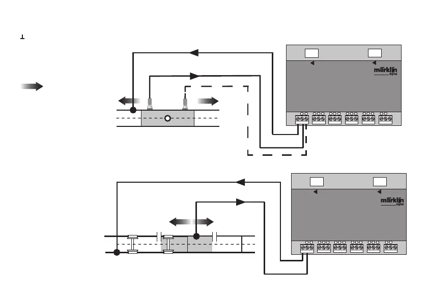
Voorbeelden voor het aansluiten van de verschillende meldcontacten
Massa retour voor alle railcontacten slechts 1x nodig.
Aansluiting aan het Märklin
H0-railsysteem met een
schakelrail
= Meldende rijrich-
ting
Rijrichtingafhankelijke
melding
niederl.
Aansluiting aan het Märklin
H0-railsysteem met een
contactrails
Rijrichtingonafhankelijke
melding

Related product manuals