EasyManua.ls Logo

marklin S88 AC - Exemples Pour Le Raccordement des Différents Contacts de (Rétro) Signalisation

marklin S88 AC
Print Icon
To Next Page IconTo Next Page
To Next Page IconTo Next Page
To Previous Page IconTo Previous Page
To Previous Page IconTo Previous Page
Loading...
14
1
2 3
4
5
6
7
8
T
T
9
10
11
12
13
14
15
16
1
2 3
4
5
6
7
8
T
T
9
10
11
12
13
14
15
16
S88 AC
S88 AC
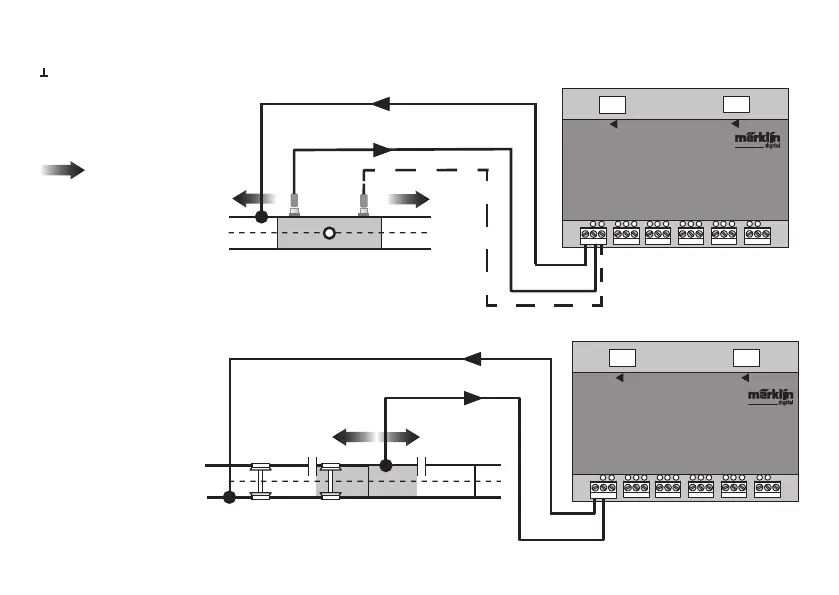
Exemples pour le raccordement des différents contacts de (rétro) signalisation
Retour à la masse nécessaire seulement une fois pour tous les contacts de voie .
Raccordement au système
de voie Märklin H0 avec la
voie de commutation
= sens de marche
à la base du signal
Signal en fonction du sens
de marche
franz.
Raccordement au système
de voie Märklin H0 avec
voies de contact
Signal en fonction du sens
de marche

Related product manuals