EasyManua.ls Logo

marklin S88 AC - Sample Connections for Feedback Contacts; Circuit Track Connections; Contact Track Connections

marklin S88 AC
Print Icon
To Next Page IconTo Next Page
To Next Page IconTo Next Page
To Previous Page IconTo Previous Page
To Previous Page IconTo Previous Page
Loading...
10
1
2 3
4
5
6
7
8
T
T
9
10
11
12
13
14
15
16
1
2 3
4
5
6
7
8
T
T
9
10
11
12
13
14
15
16
S88 AC
S88 AC
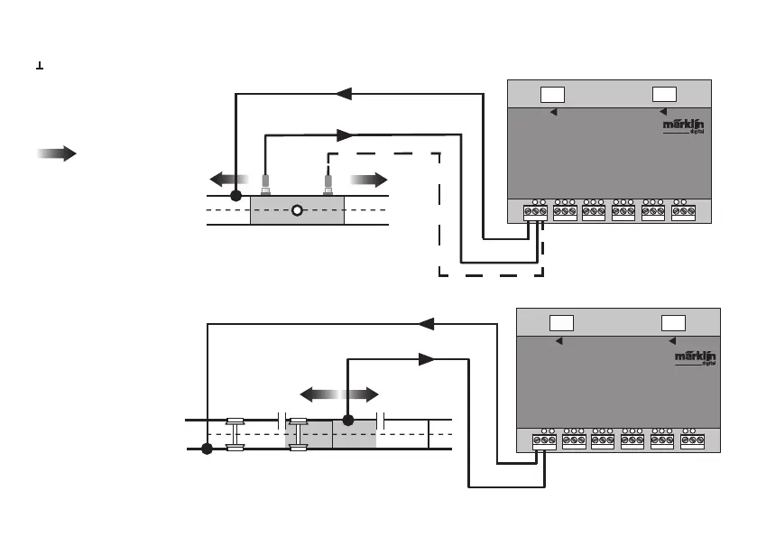
Sample Connections for the Different Feedback Contacts
Only one ground return is required for all track contacts.
Connections to the Märklin
H0 track system with the
Circuit Track
= Direction of tra-
vel feeding back
Feedback is dependent on
the direction of travel
engl.
Connections to the Märklin
H0 track system with
Contact Tracks
Feedback is independent
of the direction of travel

Related product manuals