EasyManua.ls Logo

marklin S88 AC - Eksempler På Forbindelse Af Forskellige Meldekontakter

marklin S88 AC
Print Icon
To Next Page IconTo Next Page
To Next Page IconTo Next Page
To Previous Page IconTo Previous Page
To Previous Page IconTo Previous Page
Loading...
34
1
2 3
4
5
6
7
8
T
T
9
10
11
12
13
14
15
16
1
2 3
4
5
6
7
8
T
T
9
10
11
12
13
14
15
16
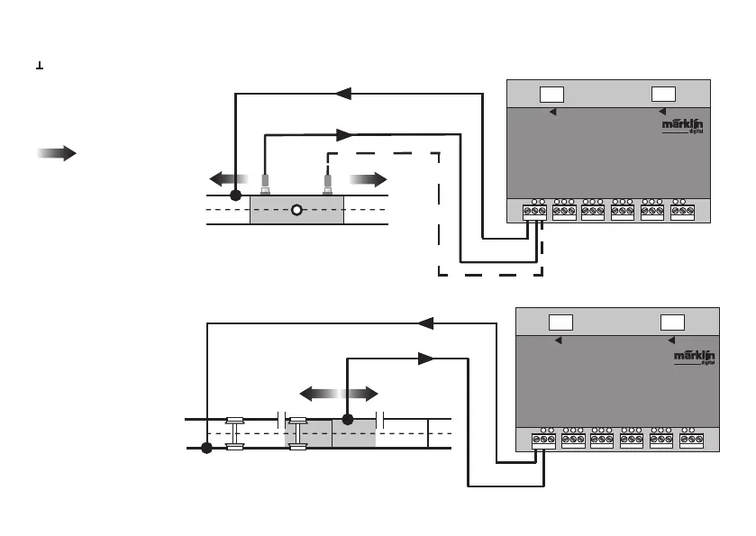
S88 AC
S88 AC
Eksempler på forbindelse af forskellige meldekontakter
Massetilbageførsel til alle skinnekontakter er kun 1x nødvendig.
Forbindelse med
MärklinH0-skinnesystemet
med spændingsskinnen
= meldende kør-
selsretning
Melding, der er afhængig
af kørselsretningen.
däni
Forbindelse med
Märklin H0-skinnesystemet
med kontaktskinnerne
Melding, der er uafhængig
af kørselsretningen

Related product manuals