EasyManua.ls Logo

Mase IS 2500 - IS3500 Engine and Alternator Parts

Mase IS 2500
44 pages
Print Icon
To Next Page IconTo Next Page
To Next Page IconTo Next Page
To Previous Page IconTo Previous Page
To Previous Page IconTo Previous Page
Loading...
IS 2500 - 3500 - 4500 - 5500
8
GENERATORS
MOTORE-ALTERNATORE - MOTEUR-ALTERNATEUR - ENGINE-ALTERNATOR - MOTOR-GENERATOR
IS3500
2
58
58
61
62
59
63
65
65
64
60
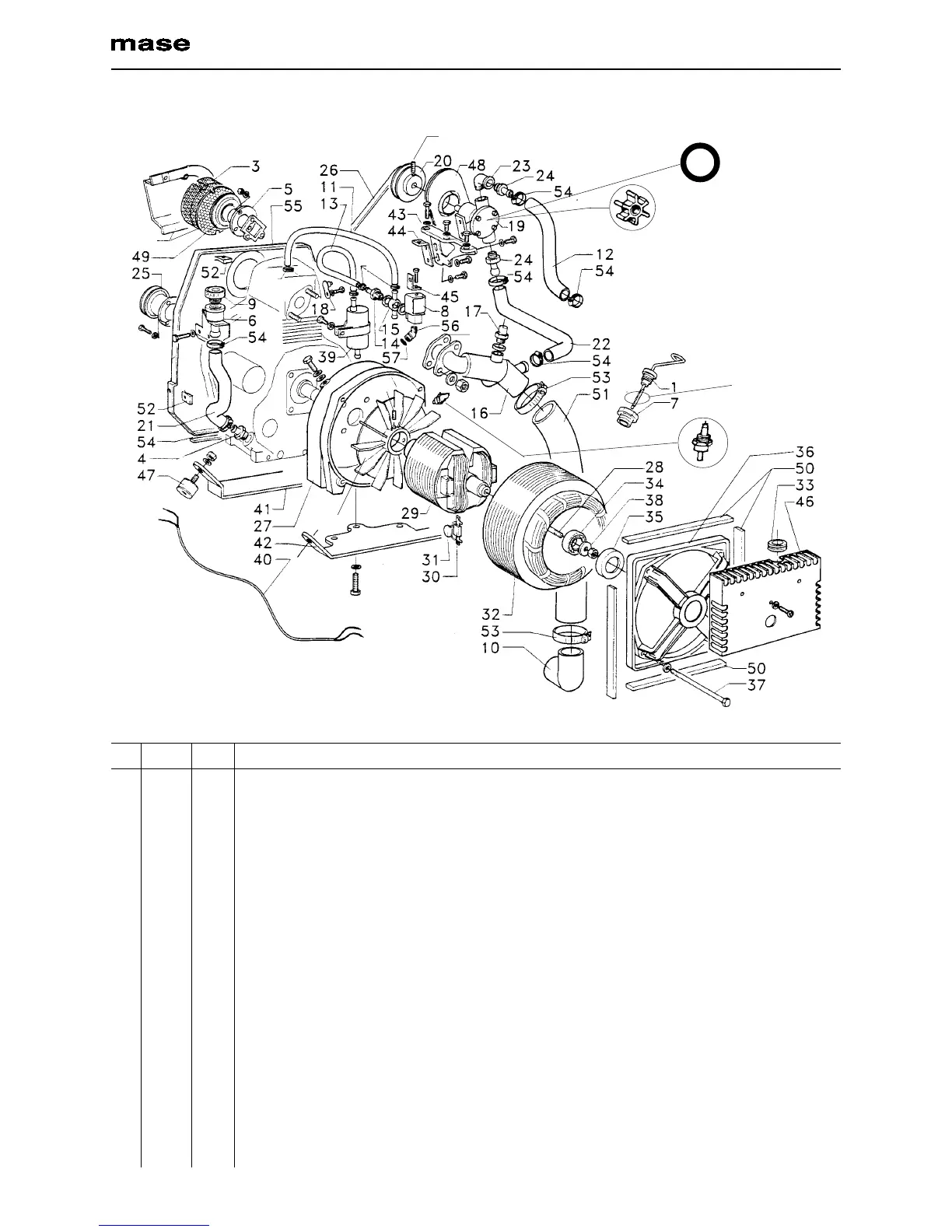
1 61785 1 Asta livello olio Tige niveau huile Oil dipstick Stoepsel Oelmess
2 90905 1 Scatola filtro Boîte filtre air Air filter box Luftfilterbüchse
3 70812 1 Massa filtrante Eponge Sponge Saugkorb
4 10807 1 Portagomma Nipple Nipple Nippel
5 61156 1 Collettore filtro aria Collecteur Manifold Saugtopf
6 06021 1 Bocchettone carico olio Goulotte Filler Kühlereinguß
7 11001 1 Sede asta olio Raccord Fitting Anschluß
8 30647 1 Elettrovalvola Electro soupape Fuel solenoid Elektroventil
9 70822 1 Tappo carico olio Bouchon huile Oil cap Öldeckel
10 10822 1 Curva scarico Raccord Fitting Anschluß
11 70543 cm 30 Tubo gasolio Tuyau Pipe Rohr
12 70442 cm 30 Tubo acqua d.15 Tuyau Pipe Rohr
13 70237 cm 25 Tubo gasolio Tuyau Pipe Rohr
14 10812 1 Portagomma Nipple Nipple Nippel
15 10813 1 Raccordo Raccord Fitting Anschluß
16 61906 1 Gomito miscelatore Goulotte Exhaust manifold Auslaßstutzel
17 30253 1 Sonda temp. acqua 70 °C Thermostat Thermostat Thermostat
18 80120 1 Sonda temp. cilindro Thermostat Thermostat Thermostat
19 31001 1 Pompa acqua mare Pompe eau de mer Sea water pump Wasserpumpe
20 50257 1 Puleggia pompa 50 Hz Poulie Pulley Rolle
20 50260 1 Puleggia pompa 60 Hz Poulie Pulley Rolle
21 70823 1 Manicotto carico olio Tuyau huile Oil pipe Ölrohr
22 70762 1 Manicotto acqua Tuyau eau Water pipe wasserrohr
23 10814 1 Gomito ottone Raccord Fitting Anschluß
24 10614 2 Portagomma Nipple Nipple Nippel
25 50266 1 Puleggia Poulie Pulley Rolle
26 70196 1 Cinghia 50 Hz Courroie Belt Riemen
26 71008 1 Cinghia 60 Hz Courroie Belt Riemen
27 07061 1 Coperchio alternatore Couvercle Deckel
RIF. COD. QT. DESCRIZIONE DESIGNATION DESCRIPTION BESCHREIBUNG

Other manuals for Mase IS 2500

Related product manuals