EasyManua.ls Logo

Mastervolt MASS COMBI PRO 12/3000-150

Mastervolt MASS COMBI PRO 12/3000-150
28 pages
To Next Page IconTo Next Page
To Next Page IconTo Next Page
To Previous Page IconTo Previous Page
To Previous Page IconTo Previous Page
Loading...
Mass Combi Pro 12/3000-150, 24/3500-100 – User and Installation Manual
17
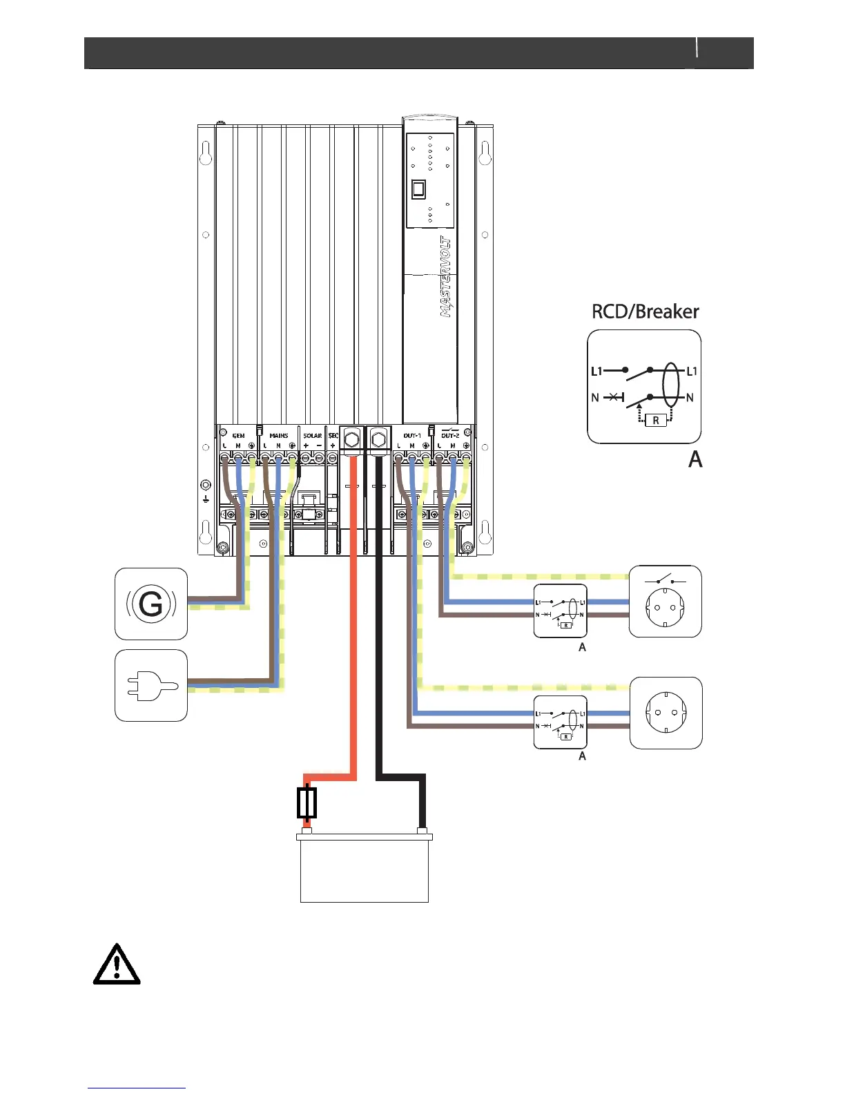
5.8 Installation overview
Figure 5-4: Installation overview for one Mass Combi (stand-alone operation)
CAUTION!
Ensure correct polarities, cross sections and fuses for all wiring. An RCD according to local regulations must be
connected to output-1 and 2.

Related product manuals