EasyManua.ls Logo

Mastervolt Mass SINE 24/1000

Mastervolt Mass SINE 24/1000
20 pages
To Next Page IconTo Next Page
To Next Page IconTo Next Page
To Previous Page IconTo Previous Page
To Previous Page IconTo Previous Page
Loading...
INSTALLATION
EN / Mass Sine 12/1200, 12/2000, 24/1500, 24/2500 & 48/2500 / June 2000
31
on
failure
Inverter Control
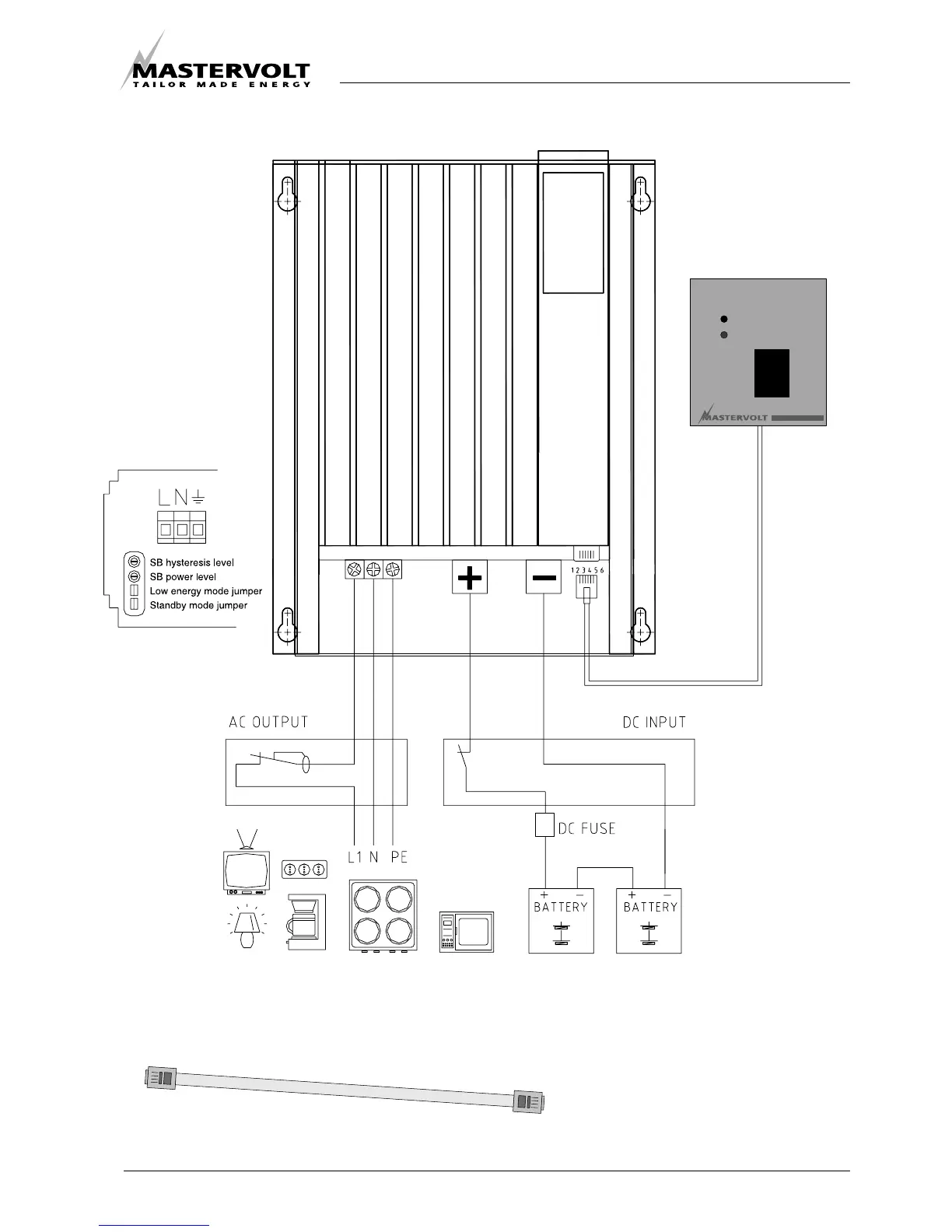
Fig. 4: Connection of the Mass Sine.
Fig. 5: Connection cable for panel C4-RI (not delivered as a standard).
C4-RI,
remote control panel.

Related product manuals