EasyManua.ls Logo

Maxcess CL Series - Product Dimensions; Standard

Maxcess CL Series
16 pages
Print Icon
To Next Page IconTo Next Page
To Next Page IconTo Next Page
To Previous Page IconTo Previous Page
To Previous Page IconTo Previous Page
Loading...
41
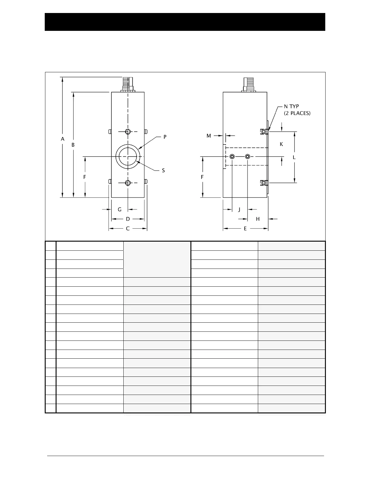
PRODUCT DIMENSIONS
www.maxcessintl.com MAGPOWR CL Load Cells MI 850A192 J 1
Product dimensions
Standard models
CL1-5-EC12
CL1-2-EC12M
CL2-15-EC12
CL2-7-EC12M
CL1-15-EC12
CL1-7-EC12M
CL2-50-EC12
CL2-25-EC12M
CL1-50-EC12
CL1-25-EC12M
CL2-150-EC12
CL2-75-EC12M
CL2-500-EC12
CL2-250-EC12M
A
113.8
[4.48]
113.8
[4.48]
143.5
[5.65]
143.5
[5.65]
B
95.8
[3.77]
95.8
[3.77]
126.2
[4.97]
126.2
[4.97]
C
37.8
[1.49]
37.8
[1.49]
51.6
[2.03]
51.6
[2.03]
D
31.0
[1.22]
31.0
[1.22]
43.7
[1.72]
43.7
[1.72]
E
54.6
[2.15]
54.6
[2.15]
61.0
[2.40]
61.0
[2.40]
F
41.4
[1.63]
41.4
1.63]
56.4
[2.22]
56.4
[2.22]
G
15.5
[0.61]
15.5
[0.61]
21.8
[0.86]
21.8
[0.86]
H
25.4
[1.00]
25.4
[1.00]
28.7
[1.13]
28.7
[1.13]
J
19.1
[0.75]
19.1
[0.75]
19.1
[0.75]
19.1
[0.75]
K
25.4
[1.000]
25.4
[1.000]
34.9
[1.375]
34.9
[1.375]
L
50.8
[2.000]
50.8
[2.000]
69.85
[2.750]
69.85
[2.750]
M
3.8
[0.15]
3.8
[0.15]
3.8
[0.15]
3.8
[0.15]
N
1/4-20 X 0.38 DP
M6x1.0 X 9.7 DP
3/8-16 X 0.50 DP
M10x1.5 X 12.7 DP
P
22.4
[0.88]
22.4
[0.88]
31.8
[1.25]
31.8
[1.25]
S
.625 - 0.627 inch
16.00 - 16.05
1.000 - 1.002
25.00 - 25.05
N = typical (2 places)
P = housing clearance diameter
S = bore diameter

Related product manuals