EasyManua.ls Logo

Maxcess CL Series - Legacy

Maxcess CL Series
16 pages
Print Icon
To Next Page IconTo Next Page
To Next Page IconTo Next Page
To Previous Page IconTo Previous Page
To Previous Page IconTo Previous Page
Loading...
42
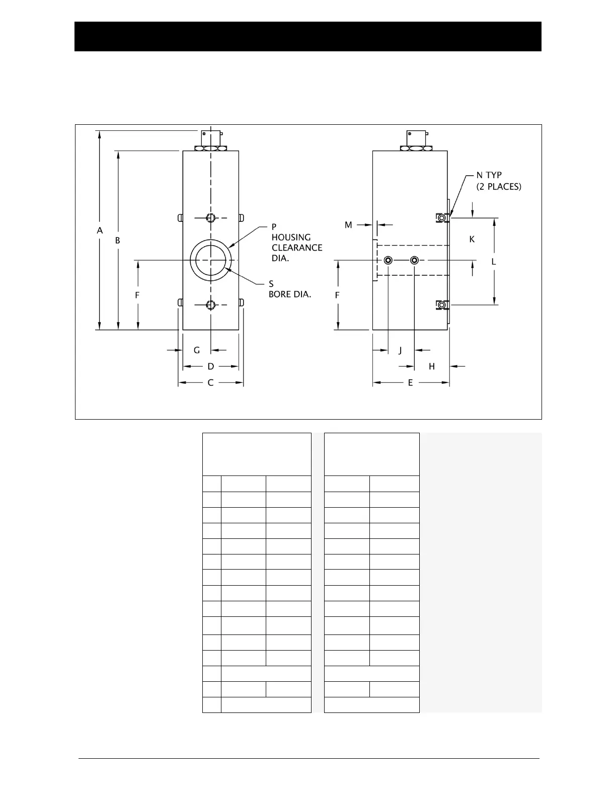
PRODUCT DIMENSIONS
www.maxcessintl.com MAGPOWR CL Load Cells MI 850A192 J 1
Product dimensions
Legacy (obsolete)
CL1-5
CL1-15
CL1-50
CL2-50
CL2-150
CL2-500
A
129.8
[5.11]
159.3
[6.27]
B
113.0
[4.45]
142.5
[5.61]
C
37.8
[1.49]
51.6
[2.03]
D
31.0
[1.22]
43.7
[1.72
E
54.6
[2.15]
61.0
[2.40]
F
41.4
[1.63]
56.4
[2.22]
G
15.5
[0.61]
21.8
[0.86]
H
25.4
[1.00]
28.7
[1.13]
J
19.1
[0.75]
19.1
[0.75]
K
25.4
[1.000]
34.9
[1.375]
L
50.8
[2.000]
69.85
[2.750]
M
3.8
[0.15]
3.8
[0.15]
N
1/4-20 X 0.38 DP
3/8-16 X 0.50 DP
P
22.4
[0.88]
31.8
[1.25]
S
0.625 -0.627
1.000 - 1.002

Related product manuals