EasyManua.ls Logo

Mayer MMDO9 - Description of the Appliance

Default Icon
28 pages
Print Icon
To Next Page IconTo Next Page
To Next Page IconTo Next Page
To Previous Page IconTo Previous Page
To Previous Page IconTo Previous Page
Loading...
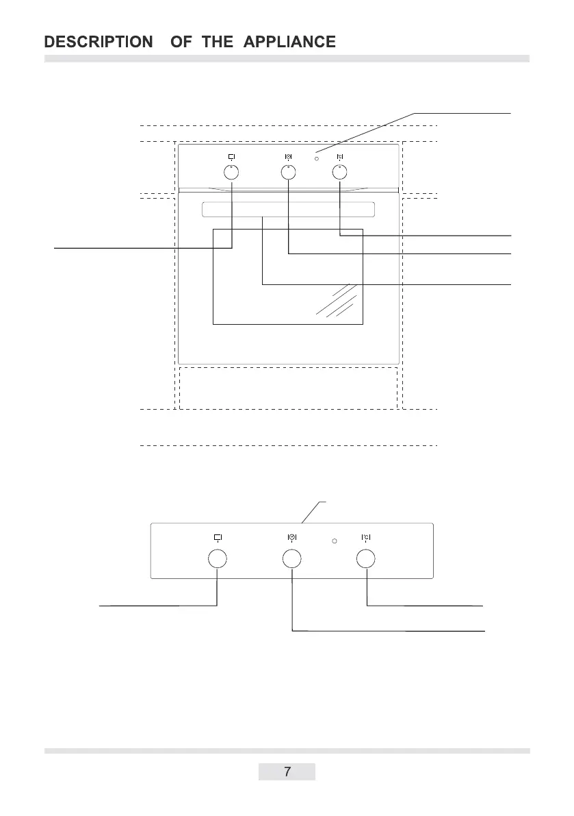
1 Oven function selection knob
2 Temperature control knob
3 Timer
4 Red temperature regulator signal light
5
Oven door handle
3
21
3
2
1
4
5
CONTROL PANEL

Related product manuals