EasyManua.ls Logo

Maytag MXR55 - Page 120

Maytag MXR55
124 pages
Print Icon
To Next Page IconTo Next Page
To Next Page IconTo Next Page
To Previous Page IconTo Previous Page
To Previous Page IconTo Previous Page
Loading...
6-2
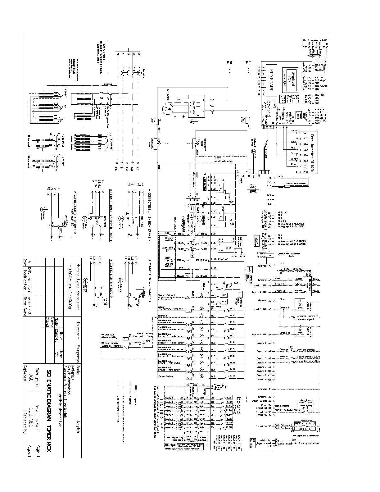
WIRING DIAGRAM - MXR20 - 30

Table of Contents

Other manuals for Maytag MXR55

Related product manuals