EasyManua.ls Logo

Mazda 3 2007 - Power Retractable Hardtop System Wiring Diagram

Mazda 3 2007
75 pages
Print Icon
To Next Page IconTo Next Page
To Next Page IconTo Next Page
To Previous Page IconTo Previous Page
To Previous Page IconTo Previous Page
Loading...
EXTERIOR TRIM
09-16–3
Mazda MX-5
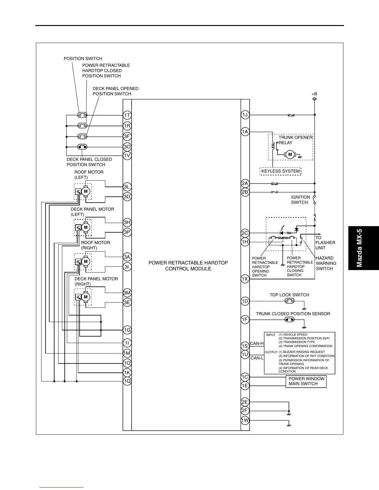
POWER RETRACTABLE HARDTOP SYSTEM WIRING DIAGRAM
id091600101200
End Of Sie
1T
1R
3F
3O
1V
3L
3D
3H
3P
3A
3I
3M
3E
1G
1I
1M
1O
1K
1Q
1J
1A
2A
2B
2C
1H
1X
1D
1F
1S
1U
1C
1E
2E
2F
1W
POWER RETRACTABLE HARDTOP
CONTROL MODULE
POWER RETRACTABLE
HARDTOP OPENED
POSITION SWITCH
ROOF MOTOR
(LEFT)
ROOF MOTOR
(RIGHT)
DECK PANEL OPENED
POSITION SWITCH
DECK PANEL MOTOR
(LEFT)
DECK PANEL MOTOR
(RIGHT)
TRUNK OPENER
RELAY
KEYLESS SYSTEM
IGNITION
SWITCH
TO
FLASHER
UNIT
POWER
RETRACTABLE
HARDTOP
OPENING
SWITCH
POWER
RETRACTABLE
HARDTOP
CLOSING
SWITCH
TOP LOCK SWITCH
TRUNK CLOSED POSITION SENSOR
HAZARD
WARNING
SWITCH
+B
POWER WINDOW
MAIN SWITCH
INPUT
(1) VEHICLE SPEED
(2) TRANSMISSION POSITION (N/P)
(3) TRANSMISSION TYPE
(4) TRANK OPENING CONFIRMATION
OUTPUT
(1) BUZZER RINGING REQUEST
(2) INFORMATION OF RHT CONDITION
(4) INFORMATION OF REAR DECK
CONDITION
(3) PERMISSION INFORMATION OF
TRUNK OPENING
POWER RETRACTABLE
HARDTOP CLOSED
POSITION SWITCH
DECK PANEL CLOSED
POSITION SWITCH
CAN-H
CAN-L
amxuun0000005
3404-1U-05F(09-16).fm 3 ペー   

Table of Contents

Related product manuals