EasyManua.ls Logo

McCulloch M12592RB - Schematic

McCulloch M12592RB
24 pages
Print Icon
To Next Page IconTo Next Page
To Next Page IconTo Next Page
To Previous Page IconTo Previous Page
To Previous Page IconTo Previous Page
Loading...
3
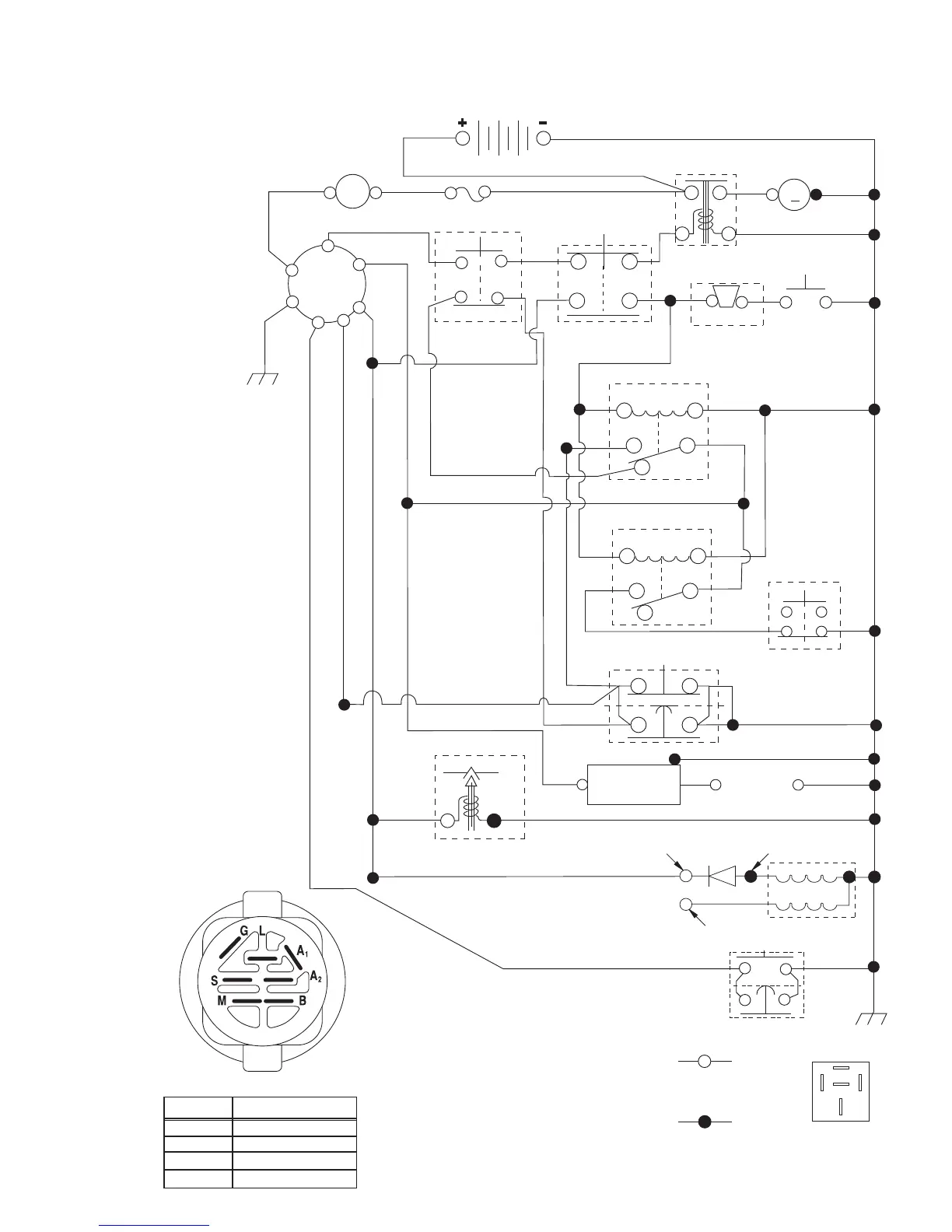
TRACTOR- -MODEL NO. M12592RB (96061016901) PRODUCT NO. 960 61 01-69
SCHEMATIC
BATTERY
STARTER
12VDC
STARTER
M
A
AMMETER
(OPTIONAL)
FUSE
CARBURETOR SOLENOID
(IF SO EQUIPPED)
FUEL
LINE
IGNITION
UNIT
SPARK
PLUGS GAP
(2 PLUGS ON
TWIN CYL. ENGINES)
CLUTCH / BRAKE
(PEDAL UP)
SOLENOID
G
B
S
M
A1
A2
L
RED
RED
RED
RED
RED
BLUE RED
GREEN
WHITE
ORANGE
15 AMP
BL
ACK
BLACK
BLACK
BLACK
GRAY
BLACK
BAGGER
INTERLOCK
(NO BAG,
CHUTE OR
PLUG)
FBI
SWITCH
FBI BUZZER
BLACK
BLACK
NON-REMOVABLE
CONNECTIONS
REMOVABLE
CONNECTIONS
87
87A
8586
30
RELAY
03051_197438 (NO LIGHTS)
ATT'MENT CLUTCH
(CLUTCH OFF)
OPERATOR PRESENCE
RELAY
1
85 86
30
87
87A
SEAT SWITCH
(NOT OCCUPIED)
GROUNDING
CONNECTOR
OPERATOR PRESENCE
RELAY
2
85 86
30
87
87A
03051
REVERSE SWITCH
WIRING INSULATED CLIPS
NOTE: IF WIRING INSULATED CLIPS
WERE REMOVED FOR SERVICING OF
UNIT, THEY SHOULD BE REPLACED
TO PROPERLY SECURE YOUR WIRING.
IGNITION SWITCH
CIRCUITPOSITION
OFF
B+A1
RUN/OVERRIDE
B + S + A1START
M+G+A1
B+A1RUN
“MAKE”
L+A2
ALTERNATOR
14 VOLTS AC MIN. @ 3600 RPM (LIGHTS OFF)
DIODE
28 VOLTS AC MIN. @ 3600 RPM
(CHARGING SYSTEM DISCONNECTED)
CHARGING SYSTEM OUTPUT
3 AMP DC @ 3600 RPM
LIGHTING SYSTEM OUTPUT
5 AMP AC @ 3600 RPM

Related product manuals