EasyManua.ls Logo

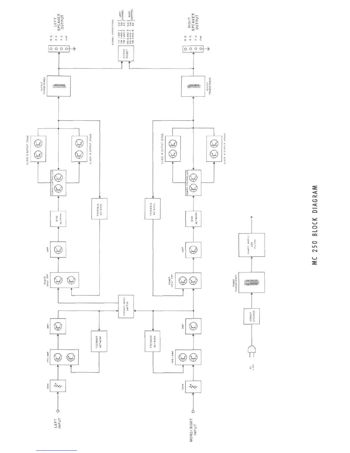
McIntosh MC 250 - MC 250 Block Diagram

McIntosh MC 250
9 pages
Print Icon
To Next Page IconTo Next Page
To Next Page IconTo Next Page
To Previous Page IconTo Previous Page
To Previous Page IconTo Previous Page
Loading...
MC 250

Related product manuals