EasyManua.ls Logo

McIntosh MP1100 - Page 25

McIntosh MP1100
48 pages
To Next Page IconTo Next Page
To Next Page IconTo Next Page
To Previous Page IconTo Previous Page
To Previous Page IconTo Previous Page
Loading...
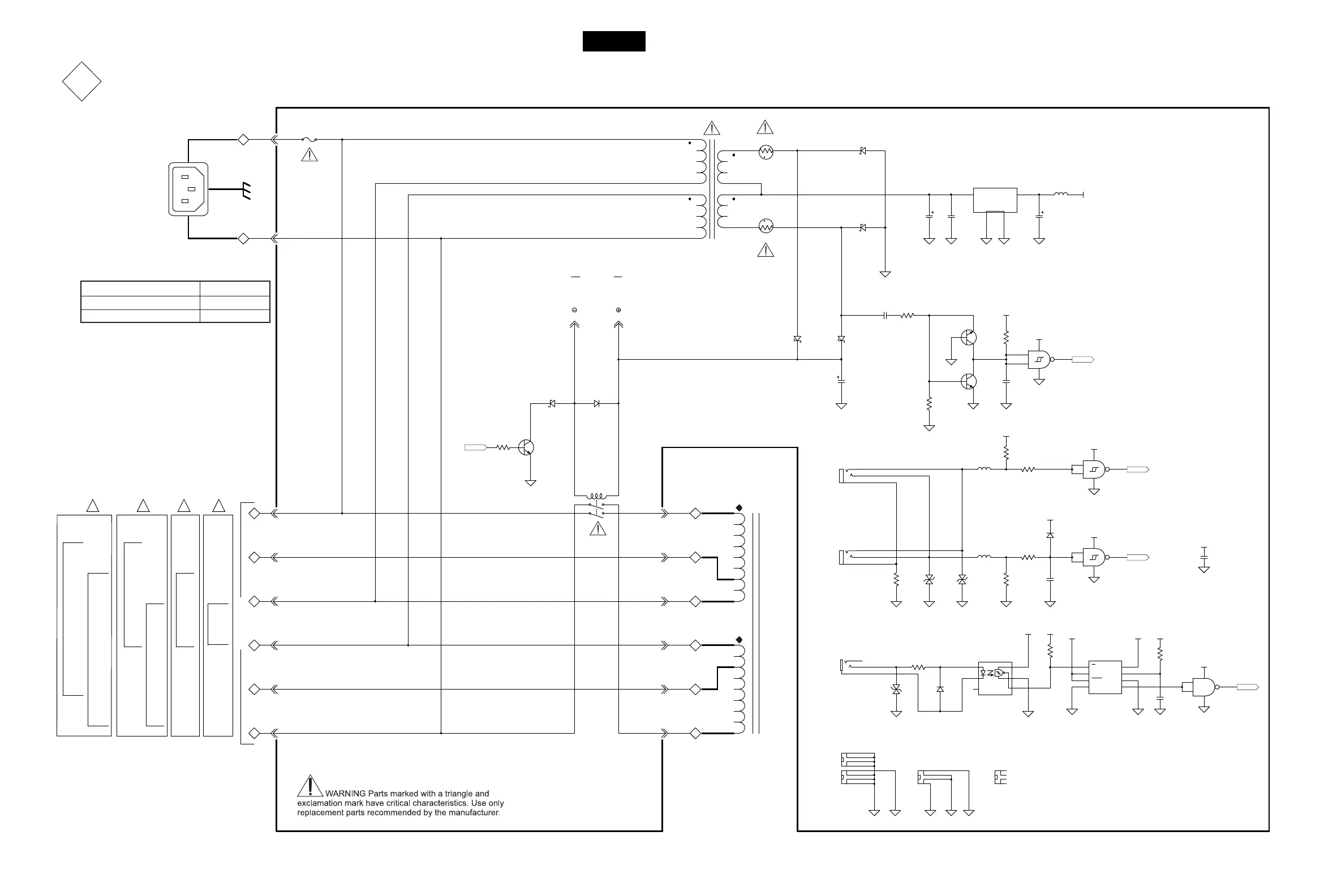
MP1100
45 46
DIGITAL 752027 SCH 4 OF 4
5
.1µF
C4
VOUT
3
GND
2
VIN
1
TAB
4
U1
L3
4-40
GP2
220µF
C6
4
2
1
3
Vcc
GND
5
U3
3
1
2
Q2
DGND
.1µF
C5
150k
R8
AC DETECTOR
47.5k
R5
3
1
2
Q3
AC DET
+3.3VBU
4-40
GP1
1
GRY
BLU
BLK
350mA
t
R2
D3
1
1
1
WHT
ORN
VIO
1
1
D2
2 6
8
4
1
3
5
7
PRIMARY
T1
1000µF
C1
J3:1 J3:2
J4:4
J4:3
J4:5
J4:2
J4:1
J4:6
3300µF
C3
2 3
1
45
6
K1
J2:3
J2:2
J2:1
J2:4
J2:5
J2:6
J1:1
J1:2
FH1/F2
1
1
AC N
AC L
WHT
BLK
D4
D5
D6
350mA
t
R3
1
1
1
1
1
1
CONVERSION PLUG
TEST ONLY
APPLY 12VD C
TO ENERGIZE RELAY
WITH NO AC POW ER
D1
+3.3VBU
+3.3VBU
L2
P C IN
10
R4
D8
L1
D10
P C OUT
PC IN
22.1k
R10
D11
+3.3VBU
22.1k
R12
.0F
C7
+3.3VBU
4
2
1
3
Vcc
GND
5
U5
ML IN
+3.3VBU
47.5k
R11
22.1k
R9
+3.3VBU
4
2
1
3
Vcc
GND
5
U4
1
3
2
BOTT
J5:1
47.5k
R7
.1µF
C2
47.5k
R13
1.5k
R6
47.5k
R14
1000pF
C8
2
5
1
J6
IR IN
D7 D9
3
4
6
5
1
2
U2
CLR
3
GND
4
Cext
6
Q
5
A
1
VCC
8
B
2
R/Cext
7
U6
4
2
1
3
Vcc
GND
5
U7
+3.3VBU
+3.3VBU+3.3VBU
+3.3VBU
+3.3VBU
+3.3VBU
.1µF
C9
+3.3VBU
REAR IR
3
1
2
Q1
2.21k
R1
PWR RLY
4
6
5
TOP
J5:2
4-40
GP3
4-40
GP5
100-127V 50/60Hz
220-240V 50/60Hz
T1AL 250V
T500mAL 250V
FH1/F2
PRIMARY LINE VOLTAGE
! ! ! !
VOLTAGE SELECTION JUMPERS
240V
220V
120V
100 V
100V
120V
230V
110V
110V

Other manuals for McIntosh MP1100

Related product manuals