EasyManua.ls Logo

McIntosh MP1100 - Page 28

McIntosh MP1100
48 pages
To Next Page IconTo Next Page
To Next Page IconTo Next Page
To Previous Page IconTo Previous Page
To Previous Page IconTo Previous Page
Loading...
51 52
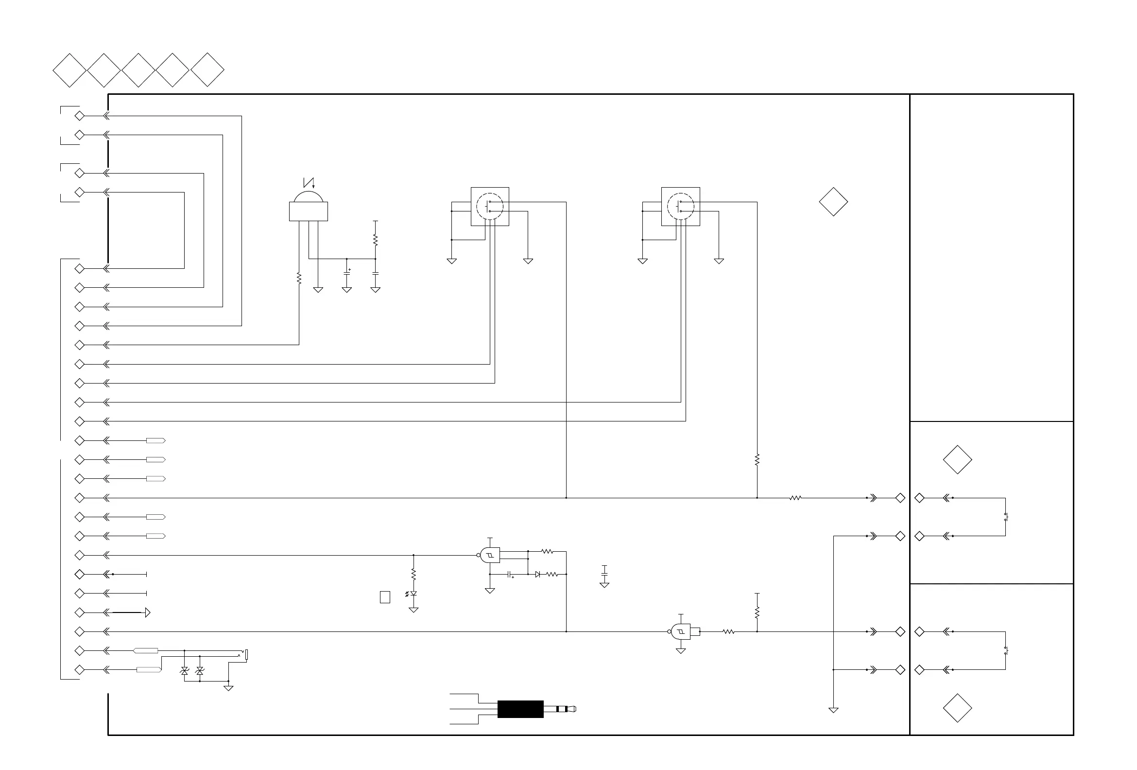
DISPLAY /STBY PSHBTN/MUTE PSHBTN/L MTR/R MTR 751912 SCH 2 OF 2
10
9
8
76
150
R2
10µF
C1
Vs
2
OUT
1
GND
3
IR1
.1µF
C2
22.1
R1
MUTE
+3.3VBU
S3
CA RT RIDGE
STANDBY/ON
150
R5
10µF
C3
475k
R4
D1
4
2
1
3
Vcc
GND
5
U2
4
2
1
3
Vcc
GND
5
U1
+3.3VBU
+3.3VBU
2.74k
R8
+3.3VBU
.1µF
C4
+3.3VBU
J6:5J4:2
DGND
+3.3VBU
+5VFD
J3:1
INP A
INP B
VFD CS
VFD DA
VFD CL
CAR A
CAR B
STBY
FR IR
PB DET
J3:2
J3:3
J3:6
J3:7
J3:8
J3:5
J3:9
J3:10
J3:11
J3:13
J3:14
J3:15
J3:16
J3:17
J3:18
J3:19
J3:21
J3:22
J3:23
STBY PB
+3.3VBU
PB DET
CAR B
STBY
FP RST
FR IR
CAR A
+5VFD
VFD CL
VFD CS
INP A
VFD DA
INP B
GND
DIGITAL
5
5
5
5
5
2
5
5
5
5
5
5
5
5
5
5
DISPLAY
6
MUTE PUSHBUTTON
8
12.1k
R6
A
B
C
SS
GNDGND
1
2
3
6
7
4
5
S1
J1:1
J1:2
J2:1
J2:2
6
1
1
L METER
1
1
R METER
INP UT
A
B
C
SS
GNDGND
1
2
3
6
7
4
5
S2
J4:8 J6:1
S4
6.81k
R3
DS1
.188
MP1
FP RST
PAN LTS
MET LTS
4.42k
R9
1.21k
R7
NO PUSH
INPUT KNOB
CARTRIDGE KNOB
3.3V
1.17V
0V
MUTE2.2V
J3:20
J3:4
LMET+
LMET-
RMET+
RMET-
J3:12
5
5
5
5
5
R MET +
L MET -
R MET -
L MET +
MET LTS
PAN LTS
J6:3J4:6
J6:7J4:4
J5:2
J5:8
J5:6
J5:4
J7:5
J7:1
J7:3
J7:7
MUTE PB
STBY PUSHBUTTON
7
6
6
6
7
7
8
8
5
5
2
5
1
J13
FRONT TXD
FRONT RXD
TO EXT DB9 - 2 (RXD)
TIP
RING
GND
FROM EXT DB9 - 3 (TXD)
EXT DB9 - 5 (GND)
RXD
TXD
D3
D2

Other manuals for McIntosh MP1100

Related product manuals