EasyManua.ls Logo

McIntosh MP1100

McIntosh MP1100
48 pages
To Next Page IconTo Next Page
To Next Page IconTo Next Page
To Previous Page IconTo Previous Page
To Previous Page IconTo Previous Page
Loading...
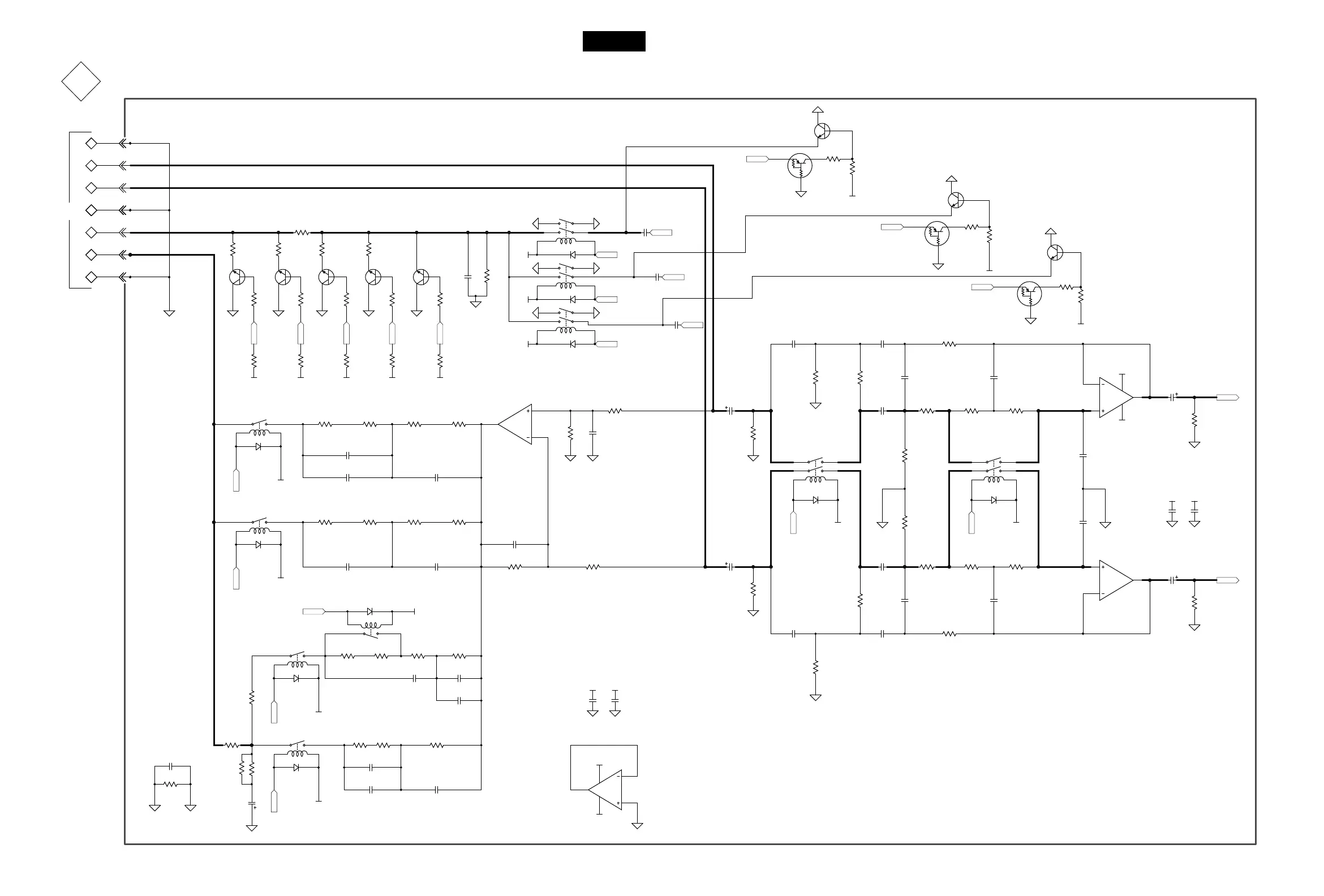
MP1100
13 14
RIGHT AUDIO 751909 SCH 3 of 5
2
TU BE
J3:1
J3:2
J3:6
J3:7
J3:8
J3:11
J3:12
J3:4
J3:9
T IN +
J3:3
J3:5
J3:10
T IN -
T OUT +
T OUT -
GND
GND
GN D
4
4
4
4
4
4
4
+1 7V -1 7V
.1µF
C77
.1µF
C76
2
3
1
84
B+
B-
U14:1
2k
R128
2k
R127
1k
R126
1k
R125
+1 7V
-1 7V
220µF
C62
2 3
1 4
K9
2 3
1 4
K10
2 3
1 4
K11
95.3K
R103
95.3K
R102
49.9K
R107
10k
R114
10k
R115
7.5k
R118
7.5k
R121
2.37k
R119
1k
R120
49.9K
R108
.033µF
C63
.033µF
C65
.01µF
C72
.01µF
C64
5600pF
C70
.033µF
C68
2200pF
C69
10
R96
75
R94
105K
R109
.033µF
C66
2200pF
C67
.01µF
C71
3300pF
C73
49.9K
R104
RIA A
NA B / LP
A E S
78
D21
D22
D23
D24
NAB / LPRIAA
AES 78
+1 7V
-1 7 V
18.0k
R143
18.0k
R141
18.0k
R144
18.0k
R142
750
R137
750
R138
150k
R135
150k
R136
12.1k
R139
12.1k
R140
27.4k
R131
27.4k
R132
.1µF
C86
.1µF
C82
.1µF
C80
.1µF
C81
.1µF
C85
.1µF
C87
2200pF
C88
2200pF
C89
1000pF
C90
1000pF
C91
LPF
D30
+5 V
7
2
148
6
1
K18
7
2
148
6
1
K17
HPF
D29
+5 V
10µF
C83
10µF
C84
2.21M
R133
2.21M
R134
4.75k
R130
4.75k
R129
22µF
C79
22µF
C78
PH +
PH -
100µF
C93
100µF
C94
22.1k
R146
22.1k
R145
200
R97
2 3
1 4
K13
D25
LP
18.0k
R111
49.9K
R116
+5 V
+5 V
+5 V
+5 V
+5 V
T IN -
T OU T +
T OU T -
+1 7V -1 7V
.1µF
C95
.1µF
C92
T IN +
6
5
7
U14:2
22pF
C74
1000pF
C75
2
3
1
84
B+
B-
U15:1
6
5
7
U15:2
2 3
1 4
K12
PH1 IN
PH2 IN
PH3 IN
47µF
C133
47µF
C134
47µF
C135
3.83k
R243
3
1
2
Q38
10k
R147
-1 7 V
221k
R150
31
2
10k
10k
Q35
PH1
PH 1G N D
3
1
2
Q39
10k
R148
221k
R151
31
2
10k
10k
Q36
-1 7V
PH2
PH 2G N D
3
1
2
Q40
10k
R149
221k
R152
31
2
10k
10
k
Q37
-1 7 V
PH3
PH 3G N D
D26
PH1
+5 V
D27
PH2
+5 V
D28
PH3
+5 V
7
2
14 8
6
1
K14
7
2
14 8
6
1
K15
7
2
14 8
6
1
K16
PH1 GN D
PH G N D
PH G N D
PH G N D
PH 2G N D
PH 3G N D
10
R247
.1µF
C143
1k
R117
1k
R101
3
1
2
Q31
3
1
2
Q30
10k
R123
4.75k
R112
3
1
2
Q29
10k
R105
3
1
2
Q28
10k
R99
499
R98
499
R110
-12 dB
-18 dB
-24 dB
-6 dB
221k
R100
221k
R106
221k
R113
-1 7V -1 7V -1 7V
221k
R124
-1 7V
105K
R95
470pF
C140
750
R241
3
1
2
Q33
10k
R8
PHMUTE
221k
R240
-1 7V
3.83k
R242

Other manuals for McIntosh MP1100

Related product manuals