EasyManua.ls Logo

MDC FORBES 13 2021 - Electrical Diagrams and Main Circuit

MDC FORBES 13 2021
98 pages
Print Icon
To Next Page IconTo Next Page
To Next Page IconTo Next Page
To Previous Page IconTo Previous Page
To Previous Page IconTo Previous Page
Loading...
www.marketdirect.com.au Ph: 1300 494 494
21
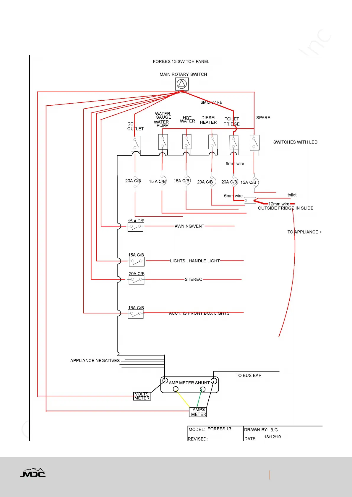
Electrical Diagrams
Switch Panel

Table of Contents

Related product manuals