EasyManua.ls Logo

Mec Micro 19-XD - Page 76

Mec Micro 19-XD
88 pages
Print Icon
To Next Page IconTo Next Page
To Next Page IconTo Next Page
To Previous Page IconTo Previous Page
To Previous Page IconTo Previous Page
Loading...
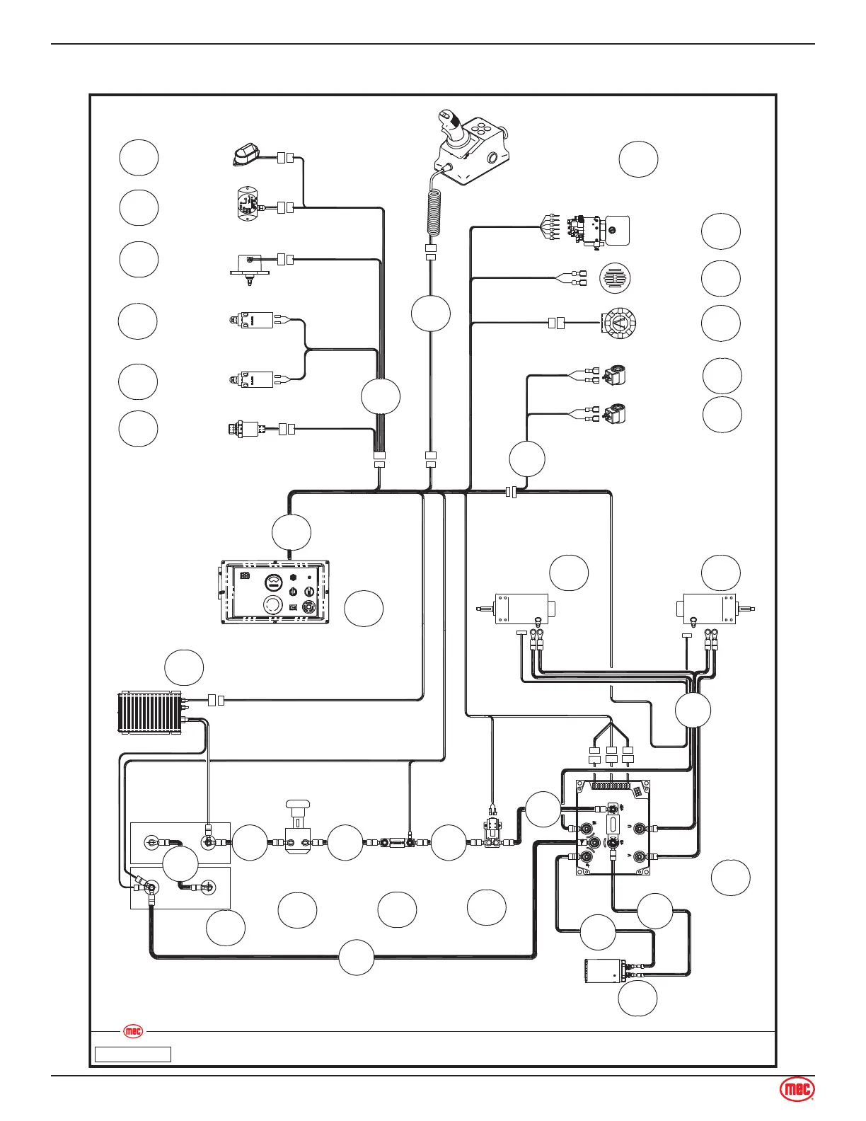
Page 72 Micro 19-XD - Service & Parts Manual
June 2020
Electrical Harness
Electrical HarnessMicro 19-XD
Art_5609
ILLUSTRATION No.
19
34
33
15
15
16
31
10
9
8
7
30
29
4
26
25
12
28
32
13
Ground Control
Assembly
1
20
6
11
27
Limit
Switch
Limit
Switch
Rotary
Sensor
Platform Control
Box Assembly
Hydraulic
Power Unit
Beacon
Left Motor
Right Motor
Motor
Controller
Motor
DC
Contactor
Fuse
Assembly
Power
Switch
Battery
Charger
5
21
Horn
23
Coil
3
14
Pressure
Sensor
17
Tilt
Sensor
18
22
Alarm
2
24
Coil
Section 17 - Electrical System
Electrical Harness

Table of Contents

Other manuals for Mec Micro 19-XD

Related product manuals