EasyManua.ls Logo

Mega H-400GA - Page 32

Default Icon
32 pages
Print Icon
To Previous Page IconTo Previous Page
To Previous Page IconTo Previous Page
Loading...
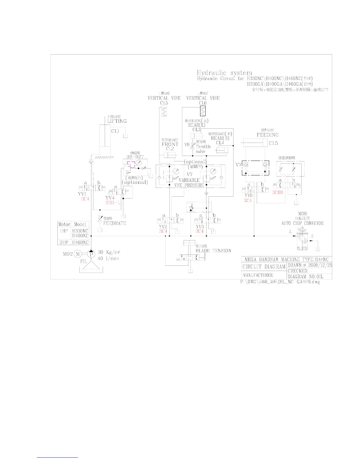
Appendix 1
Hydraulic Circuit ()

Related product manuals