EasyManua.ls Logo

Mega H-550A - 1 Introductory Illustrations; Principal Parts

Default Icon
28 pages
Print Icon
To Next Page IconTo Next Page
To Next Page IconTo Next Page
To Previous Page IconTo Previous Page
To Previous Page IconTo Previous Page
Loading...
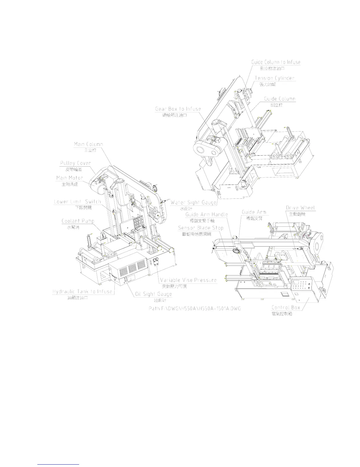
1. INTRODUCTORY ILLUSTRATIONS
1.1 Principal Parts
1 – 1

Related product manuals