EasyManua.ls Logo

Megger Programma Sverker 750 - Measuring the Phase Angle

Megger Programma Sverker 750
76 pages
Print Icon
To Next Page IconTo Next Page
To Next Page IconTo Next Page
To Previous Page IconTo Previous Page
To Previous Page IconTo Previous Page
Loading...
49
SVERKER 750/760
Programma Electric AB
ZP-CD01E R05A
6.16 Measuring the
phase angle
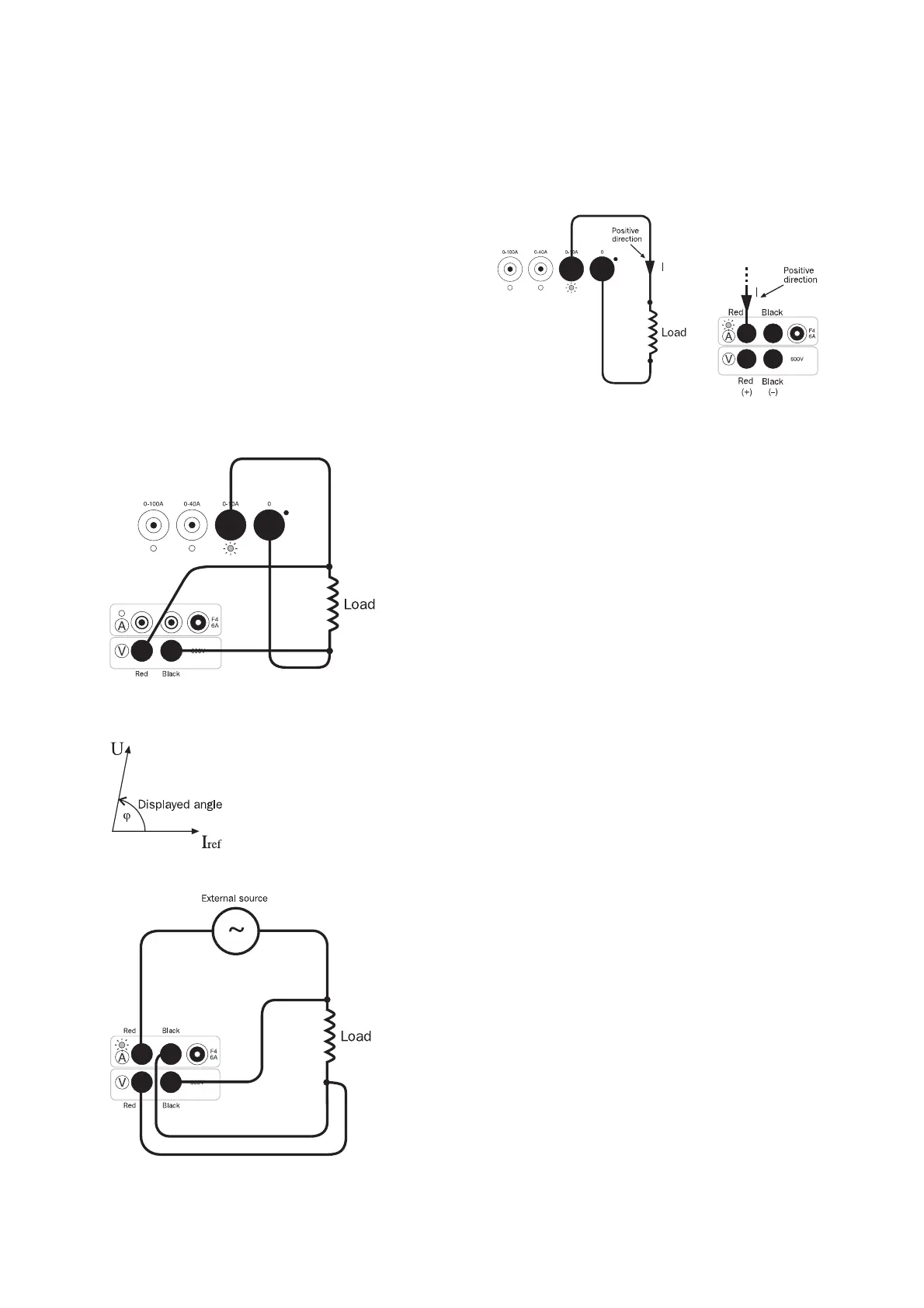
The phase angle between the current being meas-
ured by the Sverker ammeter and the voltage across
the Sverker voltmeter input can be displayed (see
Explanation of settings in Chapter 5).
Phase angle Current and voltage can be measured
regardless of whether or not they are generated by
Sverker. If the current is less than 6 A, it should be
measured at the ammeter’s external input, since it
provides better accuracy.
The phase of the current or the voltage can be
selected as reference, see chapter 5 Settings.
a)
b)
Example: Phase shift at an inductive load (current lags
voltage). Current selected as reference.
a) Current generated by Sverker (ammeter connected
internally).
b) Current generated by external source (ammeter panel
input used).
a) b)
Definition of polarities.
a) Current generated by Svreker (ammeter connected
internally).
b) Current generated by external source (ammeter panel
input used).

Table of Contents

Related product manuals