EasyManua.ls Logo

Mesa 7I90HD - Card Drawing

Mesa 7I90HD
43 pages
Print Icon
To Previous Page IconTo Previous Page
To Previous Page IconTo Previous Page
Loading...
7I90HD 39
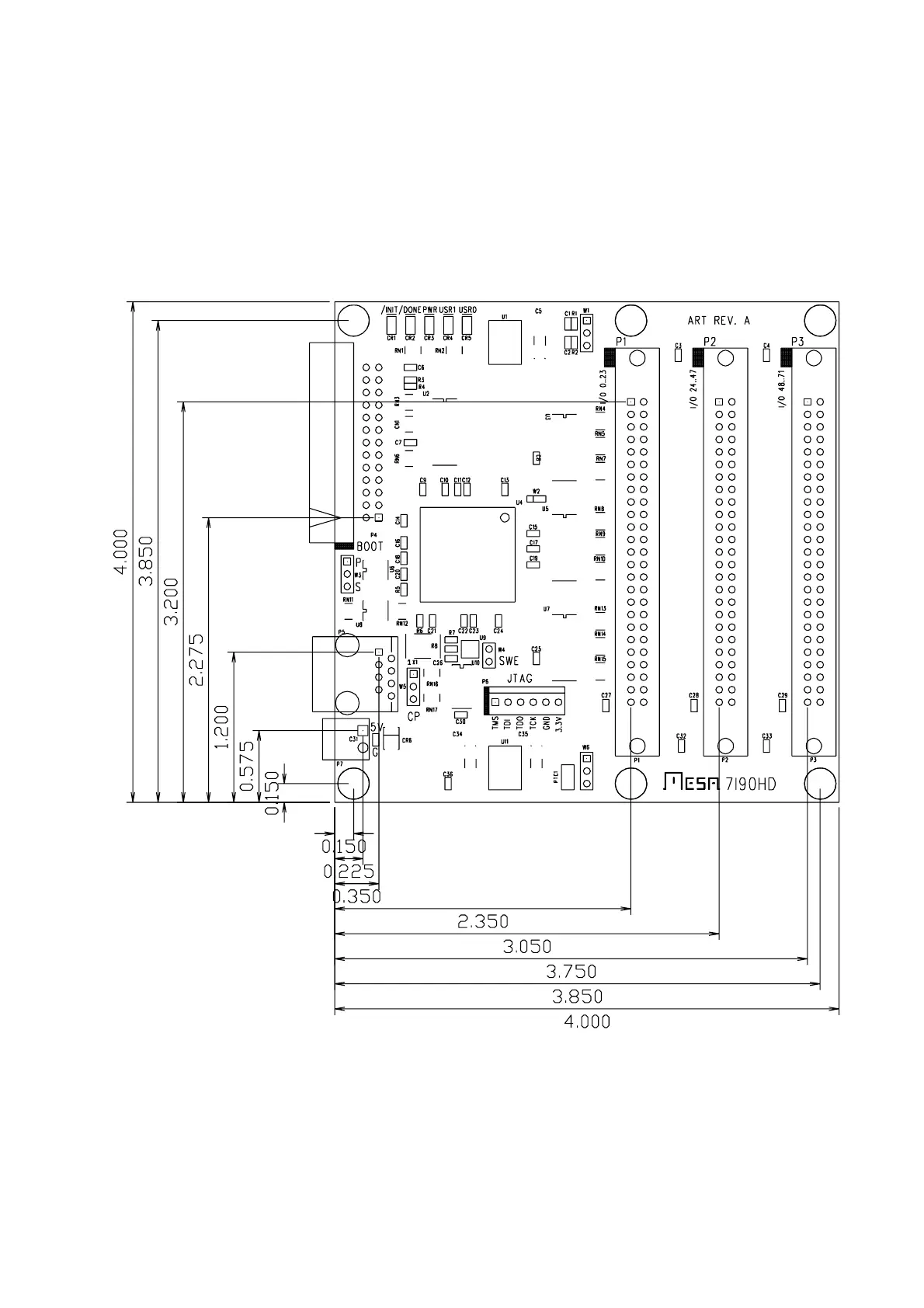
REFERENCE INFORMATION
CARD DRAWING

Related product manuals