EasyManua.ls Logo

Meyer ELECTRO LIFT E-46 - Page 15

Meyer ELECTRO LIFT E-46
56 pages
Print Icon
To Next Page IconTo Next Page
To Next Page IconTo Next Page
To Previous Page IconTo Previous Page
To Previous Page IconTo Previous Page
Loading...
-13-
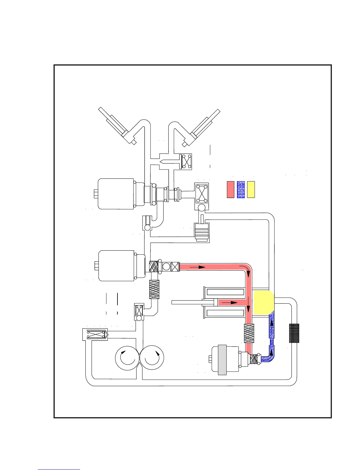
CHECK VALVE
"A"
SOLENOID
FILTER
STRAINER
LIFT
CYLINDER
"B"
SOLENOID
- OPERATING
- RETURN
- INTAKE or DRAIN
TANK
PRESSURE
RELIEF
E-47
1650 + 50 P.S.I.
E-57
2000 + 0 P.S.I.
HYDRAULIC FLOW CHART
MODELS E-47 & E-57
LOWER/FLOAT
"C"
SOLENOID
CROSSOVER
RELIEF
3800 + 400 P.S . I
POWER ANGLING
CYLINDERS
CHECK
VALVE
FILTER
PILOT
CHECK
ENERGIZED
FIGURE 1-4B

Related product manuals