EasyManua.ls Logo

MGL Avionics Blaze EMS-2 - Page 52

MGL Avionics Blaze EMS-2
64 pages
Print Icon
To Next Page IconTo Next Page
To Next Page IconTo Next Page
To Previous Page IconTo Previous Page
To Previous Page IconTo Previous Page
Loading...
Blaze EMS-2 Operating Manual Page 52
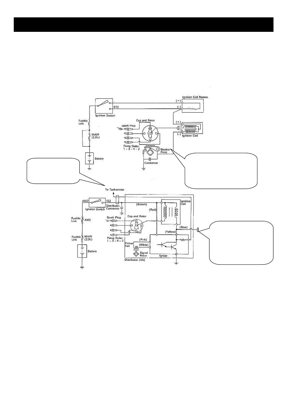
10.3.4 Connecting the EMS-2 to automotive engines
Conventional contact breaker ignition system
Electronic ignition system with conventional ignition coil
Use the tacho line
if your system has
such a signal
Connect rev counter input
of EMS-2 to this line.
Ensure you have a
connection from the EMS-2
ground to the engine block.
Connect rev counter
input of EMS-2 to this
line. Ensure you have a
connection from the
EMS-2 ground to the
engine block.

Related product manuals