EasyManua.ls Logo

MHSC WEF33 - Electrical.wiring.diagram.-.WEF36

Default Icon
20 pages
Print Icon
To Next Page IconTo Next Page
To Next Page IconTo Next Page
To Previous Page IconTo Previous Page
To Previous Page IconTo Previous Page
Loading...
68D5301
13
Any electrical
re-wiring of this
appliance must be
done by a qualified elec-
trician. This wiring must
be done in accordance
with local codes and/or
in Canada with the cur-
rent CSA C22.1 Canadian
Electrical Code, and for US
installations, the National
Electrical Code ANSI/NFPA
NO 70.
If repairing or
replacing any
electrical compo-
nent or wiring, the original
wire routing, color cod-
ing and securing locations
must be followed.
Any electrical repairs or rewiring of this unit should be carried out by a licensed
electrician in accordance with national and local codes.
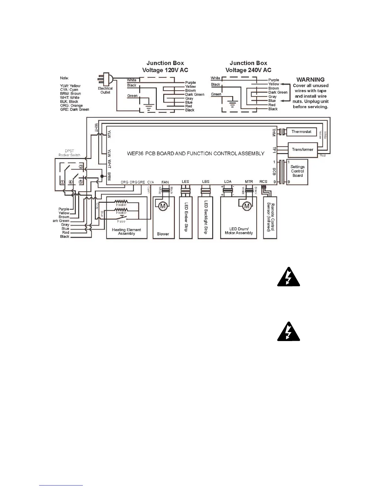
• Electrical Wiring Diagram - WEF36
Figure 16
WEF36 Wiring Diagram
WARNING: Disconnect Power Before Servicing
FP2575
WEF36 wiring

Related product manuals