EasyManua.ls Logo

Middleby Marshall PS640 - Section 5 - Wiring Diagram

Default Icon
36 pages
Print Icon
To Next Page IconTo Next Page
To Next Page IconTo Next Page
To Previous Page IconTo Previous Page
To Previous Page IconTo Previous Page
Loading...
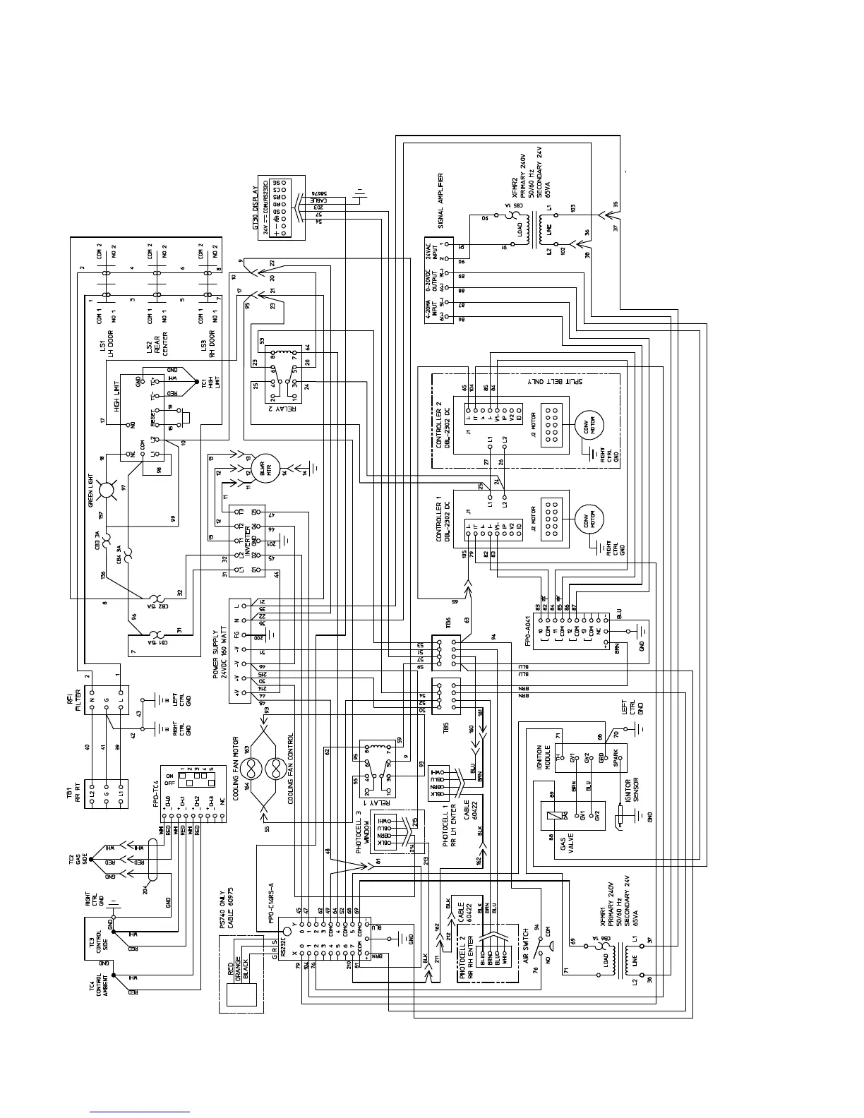
SECTION 5 - WIRING DIAGRAM
Middleby-Marshall Model Number G208-240 Volt 50/60 Hz, 1 Phase
28
59324 Rev. E

Related product manuals