EasyManua.ls Logo

Midea MGBT-F120W/RN1 - Wiring Diagram; Mgbt-F25 W;Rn1, Mgbt-D25 W;Rn1, Mgbt-F30 W;Rn1, Mgbt-D30 W;Rn1

Midea MGBT-F120W/RN1
213 pages
Print Icon
To Next Page IconTo Next Page
To Next Page IconTo Next Page
To Previous Page IconTo Previous Page
To Previous Page IconTo Previous Page
Loading...
Aqua tempo power series tropical air-cooled scroll chiller 50Hz MCAC-ATSM-2014-09
36
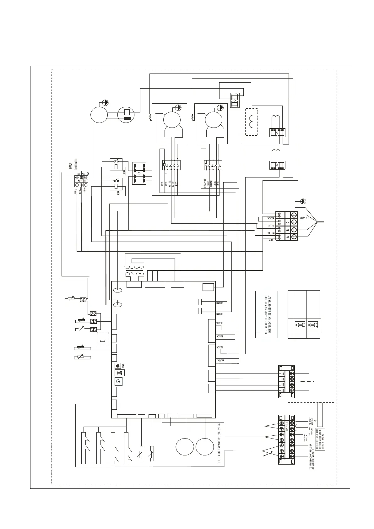
4. Wiring diagram
4.1 MGBT-F25W/RN1, MGBT-D25W/RN1, MGBT-F30W/RN1, MGBT-D30W/RN1
Attached Drawing (I) Electric Drawing of Main Unit and Auxiliary Unit
XP8
XP7
XS8
XS7
T
3
B
T
3
A
HEAT_A
L_PRO(2B)
H_PRO(B)
K1(B)
1 2
ON
PMV(B)
QUERY
L_PRO(2A)
H_PRO(A)
K1(A)
CN18(WHIT E)
POWER
CN20RED
TRANS I N
CN15WHITE
CN11BLACK
COMP(B ) S.V(B)
COMP(A) S.V(A )
CN9
PUMP
CN7
HEAT
CN1WHITE
PMV(A)
CN2RED
PMV(B)
CN21
TBH2
CN3RED
WATER_PR O
CN5
H&L_PR O
COM(I)
COM(O)
CN6
CN8
CN10
CN12 CN13
CN14
CT1
CURRENT(A )
CT2
CURRENT(B )
PMV(A)
CN19WHITE
TRANS OUT
FA N _ H
FA N _ L
(YELLOW )
(BLUE)
COMP B
2
1
5
21
3
6
22
4
T3
A1
A2
T2
T1
HEAT_B
R E D
H 2 P1 P 2H 1
X T 3
S 1
S 2
T3A T3B T 4
XT4
XT5
R
T
6
R
T
7
CN22
TBH1
T61
T62
L_PRO(1A)
L_PRO(1B)
COMP A
2
5
21
3
6
22
4
T3
A1
A2
T2
T1
FAN
(
(U )
(V )
(W )
(U )
(V )
(W )
Y&G
POWER IN
Y & G
S 1
1 6 -WAY DAI L SWITCH FUNC TIO N
1
2
S W ITCH
F U NCTION
D I GITA L
M O DULE
N O RMAL
M O DULE
2 - WAY J UMP SWIT C H F UNCT ION
D A I L S W ITC H
A D DRES S
R E D
W H I T E
B L U E
S 2
Q
P
(E)
GRAY
7 - WAY
T E RMINAL
X T 2
4 - WAY
T E RMINAL
H E A T
P U M P
B L U EB L U EB L U E
B L U E
Y E L L O W
Y E L L O W
Y
E
L
L
O
W
B
L
A
C
K
E F FECT O N N O.0 M ODU L E)
(ON/OFF SIGNAL!)
L O W V O L T A G E S I G N A L
D O N ' T C O N N E C T H I G H V O L T A G E !
ORANGE
RED
ELE CTRI C EXPA N SIV E VALV E (B )
HI G H PRE S SUR E
PR O TE CTOR B
LO W P R ESS U R E
PR O TEC T O R 2 B
PURPLE
LO W P R ESS U R E
PR O TEC T O R 2 A
YELLOW
HI G H P RES S UR E
PR O TEC T O R A
TE M P P ROT E CTO R
SW I TC H A
IN-LET WATER TEMP. SENSOR
ANTI-FREEZING TEMP. SENSOR
TE M P P ROT E CTO R
SW I TC H B
LO W P R ESS U R E
PR O TEC T O R 1 B
LO W P R ESS U R E
PR O TEC T O R 1 A
RED BLACK
CONDENSER
TEMP B
CONDENSER
TEMP A
TO T A L OUT - LE T
WA T E R TEM P .
UN I T O UT- L E T
WA T E R TEM P .
C R ANK
COMPRESSOR A
Y & G
BLUE
B L ACK
AC CONTACTOR
BLACK
BLUE
RED
W H ITE
C R ANK
COMPRESSOR B
AC CONTACTOR
BLACK
BLUE
RED
W H ITE
Y & G
Y & G
S.V(A)
4-VALVE A
S.V(B)
4-VALVE B
MIDDL E
WIR E JO I N T
MIDDL E
WIR E JO I N T
PURPLE
BLUE
B
LACK
B LACK
MIDDL E
WIR E JO I N T
XT 6
WHITE
BLUE
RED
BLACK
B L U EB L U EB L U E
B L U E
Y E L L O W
Y E L L O W
O R A N G E
BLUE
P U R P L E
XP9
XS9
XP9
OUTDOOR TEMP SENSOR
T
4
XP10
XS10
WHITE
OUTDOOR WIRING DIAGRAM
GRAY
GRAY
4-WA Y TERMI N A L
XT1
W1 W2
Q
P
(E)
HIGH
N
LOW
BLACK
BALCK
BLACK
BLACK
RED
WHITE
FAN CAP
CN23WHITE
ON/OFF
MIDDL E
WIR E JO I N T
XT 7
RED
PWM
CN17
PWM PRESSURE
RELIF VALVE
RED
RED RED
RED
BLACK
RED
BLUE
RY8RY7
10K
T-COMP SHORT
B E CO N NEC T E D TH E
CO R RES P ON D TE R MIN A L

Table of Contents

Related product manuals