EasyManua.ls Logo

Midea MGBT-F180W/DN1 - Wiring Diagrams; Mgbt-F25 W;Dn1, Mgbt-D25 W;Dn1, Mgbt-F30 W;Dn1, Mgbt-D30 W;Dn1

Midea MGBT-F180W/DN1
180 pages
Print Icon
To Next Page IconTo Next Page
To Next Page IconTo Next Page
To Previous Page IconTo Previous Page
To Previous Page IconTo Previous Page
Loading...
R410a tropical air-cooled scroll chiller unit 60Hz MCAC-ATSM-2014-09
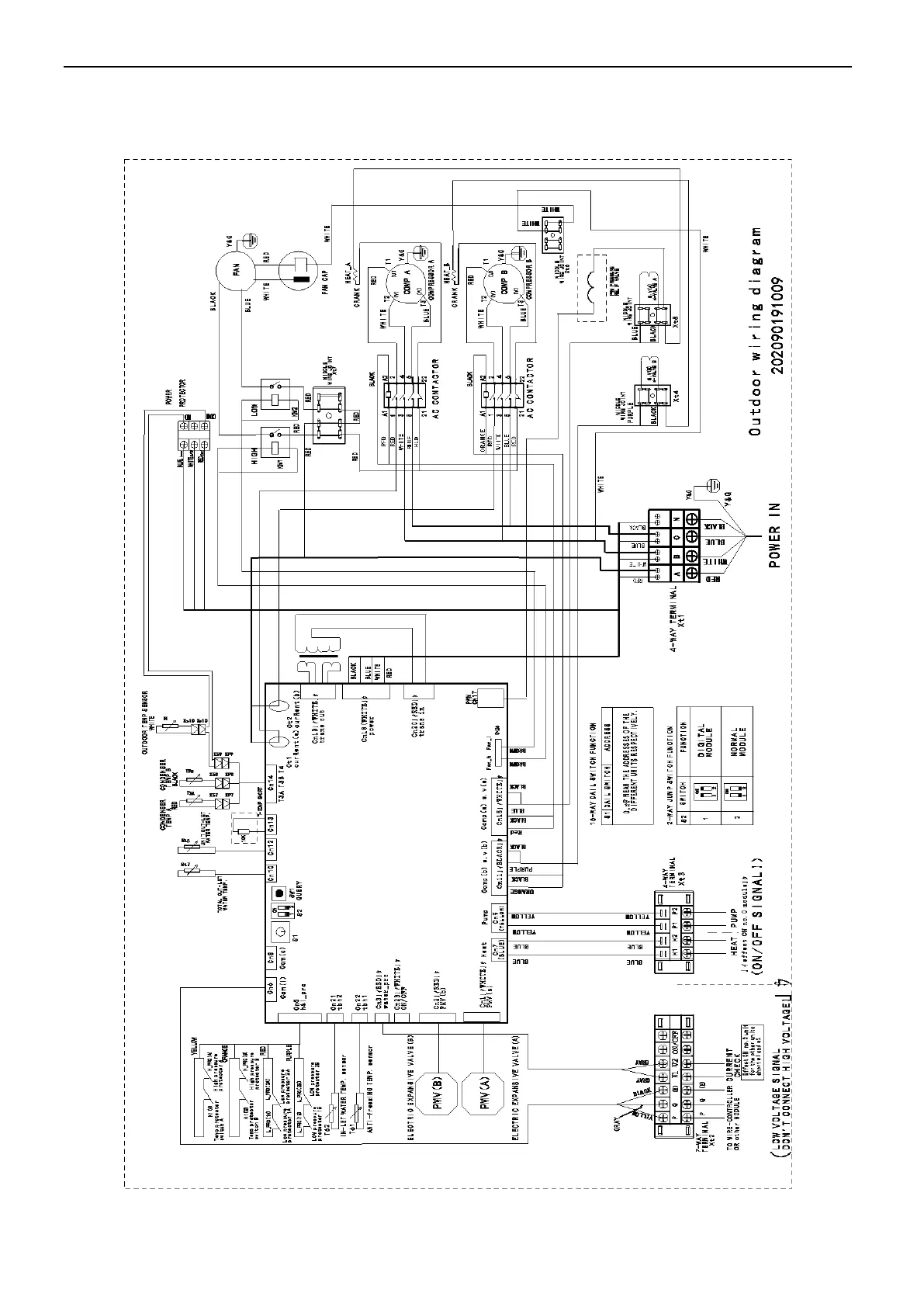
4. Wiring Diagrams
4.1 MGBT-F25W/DN1, MGBT-D25W/DN1, MGBT-F30W/DN1, MGBT-D30W/DN1

Table of Contents

Related product manuals