Home
Midea
Laboratory Equipment
MGBT-F25W/DN1
Page 26 (Pipe Connection Drawing)
Midea MGBT-F25W/DN1 - Pipe Connection Drawing; Mgbt-F25 W;Dn1,Mgbt-D25 W;Dn1,Mgbt-F30 W;Dn1,Mgbt-D30 W;Dn1
180 pages
Manual
To Next Page
To Next Page
To Previous Page
To Previous Page
Loading...
R410a tropical air-cooled scroll chiller unit 60Hz
M
CAC
-A
TS
M-
201
4-
09
2. Pipe Con
nection
Drawing
2.1MGBT
-F25W/
DN1,
MGBT
-
D2
5W/DN
1,MGBT
-F30W/
DN1,MG
BT
-D30W/D
N1
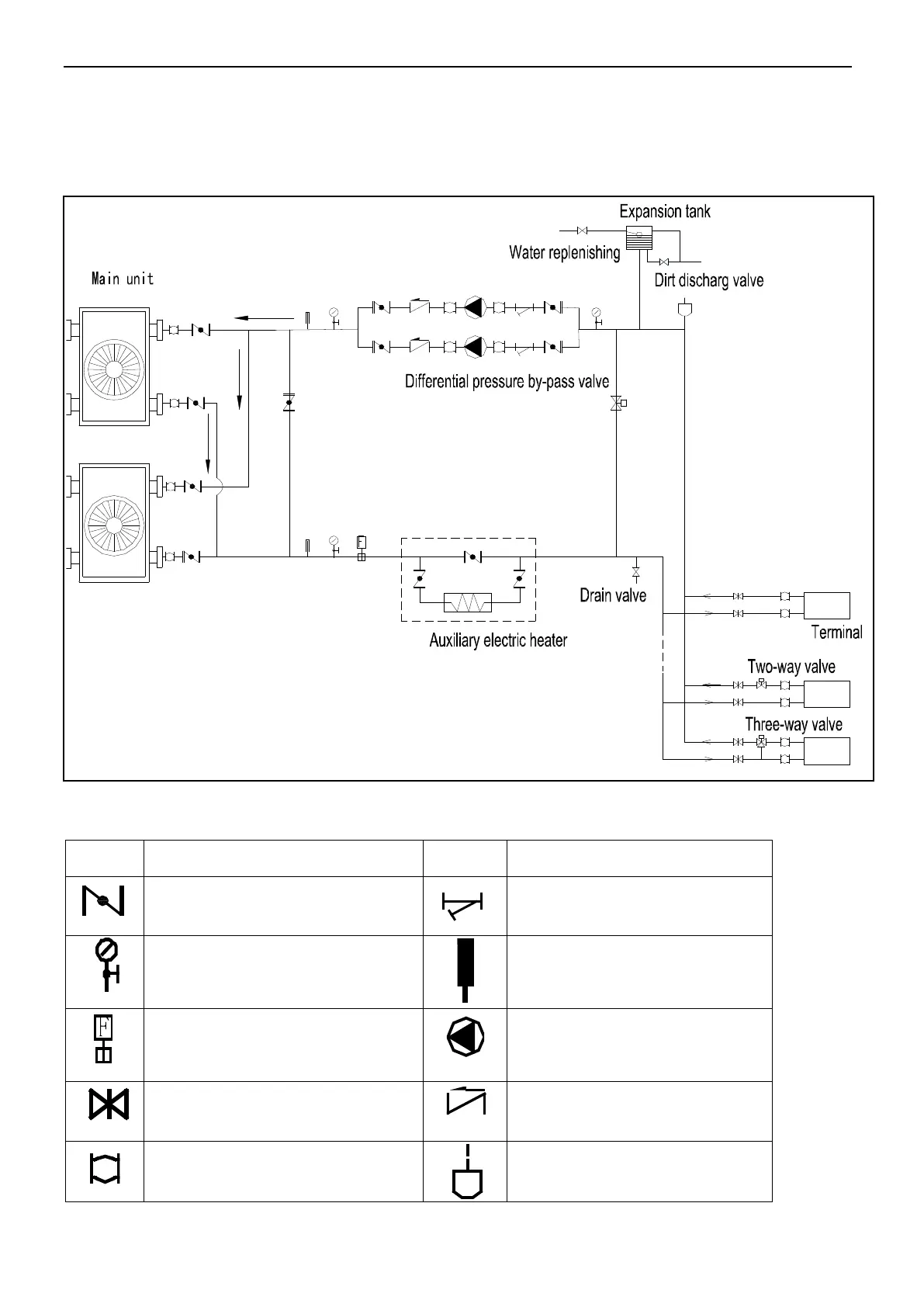
The tab
le below
describes
the sy
mbols.
Symbol
Symbol explanation
Symbol
Symbol explanation
Stop valve
Y-shaped filter
Pressure gauge
Thermometer
W
ater flow
switch
Circulating pump
Gate valve
Ch
eck valve
Flexible joint
Automatic discharge valve
25
27
Table of Contents
Main Page
Table of Contents
2
Part 1 System Outline
3
General Outline
3
General Outline
4
Nomenclature
4
Products List
4
External Appearance
5
Features
6
Capacity Lineup
8
Specification: MGBT-F25W/DN1, MGBT-D25W/DN1
9
Specification: MGBT-F30W/DN1, MGBT-D30W/DN1
11
Specification: MGBT-F60W/DN1, MGBT-F120W/DN1
13
Specification: MGBT-F180W/DN1
15
Electric Characteristics
17
Outlook Drawing: MGBT-F25W/DN1, MGBT-D25W/DN1, MGBT-D30W/DN1, MGBT-F30W/DN1
18
Outlook Drawing: MGBT-F60W/DN1
20
Outlook Drawing: MGBT-F120W/DN1
22
Outlook Drawing: MGBT-F180W/DN1
24
Pipe Connection Drawing
26
Mgbt-F25W/Dn1,Mgbt-D25W/Dn1,Mgbt-F30W/Dn1,Mgbt-D30W/Dn1
26
Mgbt-F60W/Dn1
27
Mgbt-F120W/Dn1
28
Mgbt-F180W/Dn1
29
Refrigeration System Drawing
30
Mgbt-F25W/Dn1, Mgbt-D25W/Dn1, Mgbt-F30W/Dn1, Mgbt-D30W/Dn1
30
Mgbt-F60W/Dn1
30
Mgbt-F120W/Dn1
31
Mgbt-F180W/Dn1
31
Wiring Diagrams
32
Mgbt-F25W/Dn1, Mgbt-D25W/Dn1, Mgbt-F30W/Dn1, Mgbt-D30W/Dn1
32
Mgbt-F60W/Dn1
33
Mgbt-F120W/Dn1
34
Mgbt-F180W/Dn1
35
Networking Communication Wiring Diagram
36
Mgbt-F25W/Dn1, Mgbt-D25W/Dn1, Mgbt-F30W/Dn1, Mgbt-D30W/Dn1
36
Mgbt-F60W/Dn1
37
Mgbt-F120W/Dn1
38
Mgbt-F180W/Dn1
39
Mgbt-F25W/Dn1
40
Expolde View
40
Mgbt-D25W/Dn1
43
Mgbt-F30W/Dn1
46
Mgbt-D30W/Dn1
49
Mgbt-F60W/Dn1
53
Mgbt-F120W/Dn1
55
Mgbt-F180W/Dn1
59
Part 2
63
Capacity Tables
64
Mgbt-F25W/Dn1, Mgbt- D25W/Dn1
64
Mgbt-F30W/Dn1, Mgbt-D30W/Dn1
66
Mgbt-F60W/Dn1
68
Mgbt-F120W/Dn1
70
Mgbt-F180W/Dn1
72
Control System
74
Mgbt-F25W/Dn1, Mgbt-D25W/Dn1, Mgbt-D30W/Dn1, Mgbt-F30W/Dn1
74
Mgbt-F60W/Dn1
77
Mgbt-F120W/Dn1
80
Mgbt-F180W/Dn1
83
Control Software
86
Interface Introduction
86
Detail Application Manual
88
Menu Application
90
Part 3
107
Malfunction & Protection Codes
108
Mgbt-F25W/Dn1, Mgbt-D25W/Dn1, Mgbt-D30W/Dn1, Mgbt-F30W/Dn1
108
Mgbt-F60W/Dn1
109
Mgbt-F120W/Dn1
110
Mgbt-F180W/Dn1
111
Troubles and Solutions
112
Typical Malfunction Solutions
114
Part 4 Installation
123
Part 4
123
Installation
124
Transportation
124
Transportation and Foundation Installation
124
Installation Space
126
Installation Foundation
129
Installation of Damping Devices
130
Basic Requirements of Connection of Chilled Water Pipes
131
Water System Installation
131
Water Quality
132
Installation & Regulation Guide for Target Flow Controller
133
Installation of Water System Pipeline
134
Mgbt-F25W/Dn1, Mgbt-D25W/Dn1, Mgbt-D30W/Dn1, Mgbt-F30W/Dn1
135
Mgbt-F60W/Dn1
136
Mgbt-F120W/Dn1
139
Mgbt-F180W/Dn1
140
Power Supply Specification
142
Precautions
142
Requirements of Wiring Connection
142
Wiring Installation
142
Wiring Steps
144
Field Wiring
145
Points for Attention Prior to Trial Run
146
Trial Run
146
Check Items Table after
147
Trial Run
148
Part 5
149
About Maintenance
150
Periodical Check
152
Part 6 Wired Controller
153
Part 6
153
Wired Controller KJRM-120D/BMK-E(Standard)
154
Wired Controller Kjr-120A/Mbte
162
Wired Controller Kjr-120A/Mbte(Optional )
162
Appendix
179
Related product manuals
Midea MGBT-F180W/DN1
180 pages