EasyManua.ls Logo

Midea MGBT-F25W/DN1 - Mgbt-F60 W;Dn1

Midea MGBT-F25W/DN1
180 pages
Print Icon
To Next Page IconTo Next Page
To Next Page IconTo Next Page
To Previous Page IconTo Previous Page
To Previous Page IconTo Previous Page
Loading...
MCAC-ATSM-2014-09 R410a tropical air-cooled scroll chiller unit 60Hz
Capacity tables 27
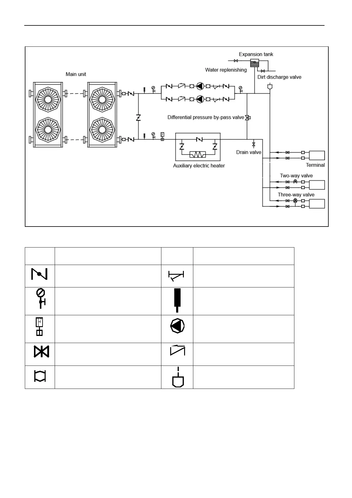
2.2 MGBT-F60W/DN1
The table below describes the symbols.
Symbol
Symbol explanation
Symbol
Symbol explanation
Stop valve
Y-shaped filter
Pressure gauge
Thermometer
Water flow switch
Circulating pump
Gate valve
Check valve
Flexible joint
Automatic discharge valve

Table of Contents

Related product manuals