EasyManua.ls Logo

Midea MGBT-F25W/DN1 - Mgbt-F120 W;Dn1; Mgbt-F180 W;Dn1

Midea MGBT-F25W/DN1
180 pages
Print Icon
To Next Page IconTo Next Page
To Next Page IconTo Next Page
To Previous Page IconTo Previous Page
To Previous Page IconTo Previous Page
Loading...
MCAC-ATSM-2014-09 R410a tropical air-cooled scroll chiller unit 60Hz
Capacity tables 31
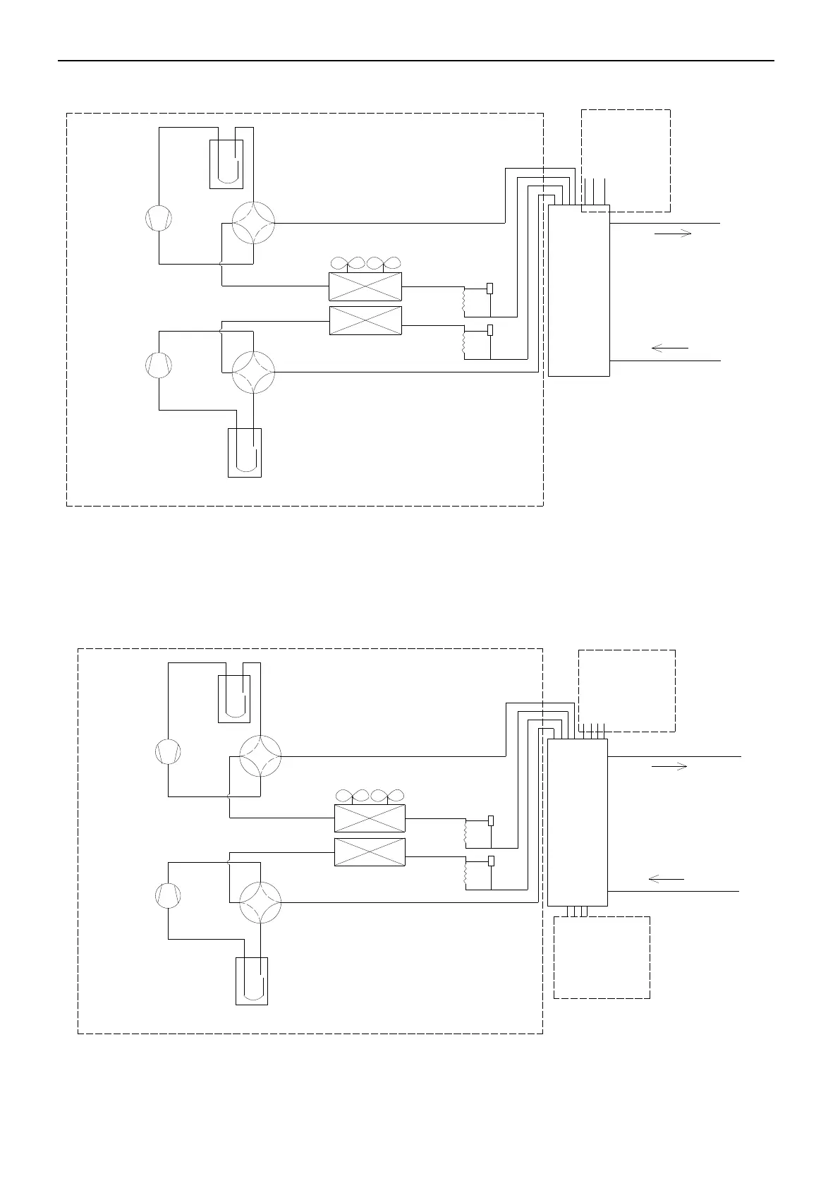
3.3 MGBT-F120W/DN1
Each module has four compressors with two separate units, one shell and tube evaporate for four systems.
Shell-tube
evaporator
Condenser
Water flow direction
Compressor B
low pressure cylinder B
4-Way valve A
Fan A
EXV
Capillary
EXV
Capillary
Fan B
4-Way valve B
Compressor A
low pressure cylinder A
Unit 2
Unit 1
3.4 MGBT-F180W/DN1
Each module has six compressors with three separate units, one shell and tube evaporate for six systems.
Shell-tube evaporator
Condenser
Water flow direction
Compressor B
low pressure cylinder B
4-Way valve A
Fan A
EXV
Capillary
EXV
Unit 2
Unit 3
Capillary
Fan B
4-Way valve B
Compressor A
low pressure cylinder A
Unit 1

Table of Contents

Related product manuals