EasyManua.ls Logo

Midea MO11MU-09HRDN1 - 8.5 Adding the refrigerant after running the system for many years

Midea MO11MU-09HRDN1
60 pages
Print Icon
To Next Page IconTo Next Page
To Next Page IconTo Next Page
To Previous Page IconTo Previous Page
To Previous Page IconTo Previous Page
Loading...
Oasis Inverter DM12-01.01.10en
28 Service manual
from the 3-way valve’s service port immediately and turn off the air conditioner before disconnecting the
hose.
7). Mount the valve stem caps and the service port
Use torque wrench to tighten the service port cap to a torque of 18N.m.
Be sure to check for gas leakage.
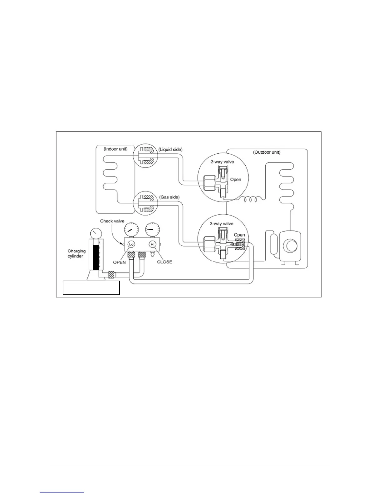
8.5 Adding the refrigerant after running the system for many years
Procedure:
1). Connect the charge hose to the 3-way service port, open the 2-way valve and the 3-way valve.
Connect the charge hose to the valve at the bottom of the cylinder. If the refrigerant is R410A, make
the cylinder bottom up to ensure liquid charge.
2). Purge the air from the charge hose.
Open the valve at the bottom of the cylinder and press the check valve on the charge set to purge the
air (be careful of the liquid refrigerant).
3) Put the charging cylinder onto the electronic scale and record the weight.
4) Operate the air conditioner at the cooling mode.
5) Open the valves (Low side) on the charge set and charge the system with liquid refrigerant.
6).When the electronic scale displays the proper weight (refer to the gauge and the pressure of the low
side), disconnect the charge hose from the 3-way valve’s service port immediately and turn off the air
Electronic scale

Related product manuals