EasyManua.ls Logo

Midea MSV1-09HRFN1-MT0W - Page 25

Midea MSV1-09HRFN1-MT0W
120 pages
Print Icon
To Next Page IconTo Next Page
To Next Page IconTo Next Page
To Previous Page IconTo Previous Page
To Previous Page IconTo Previous Page
Loading...
21
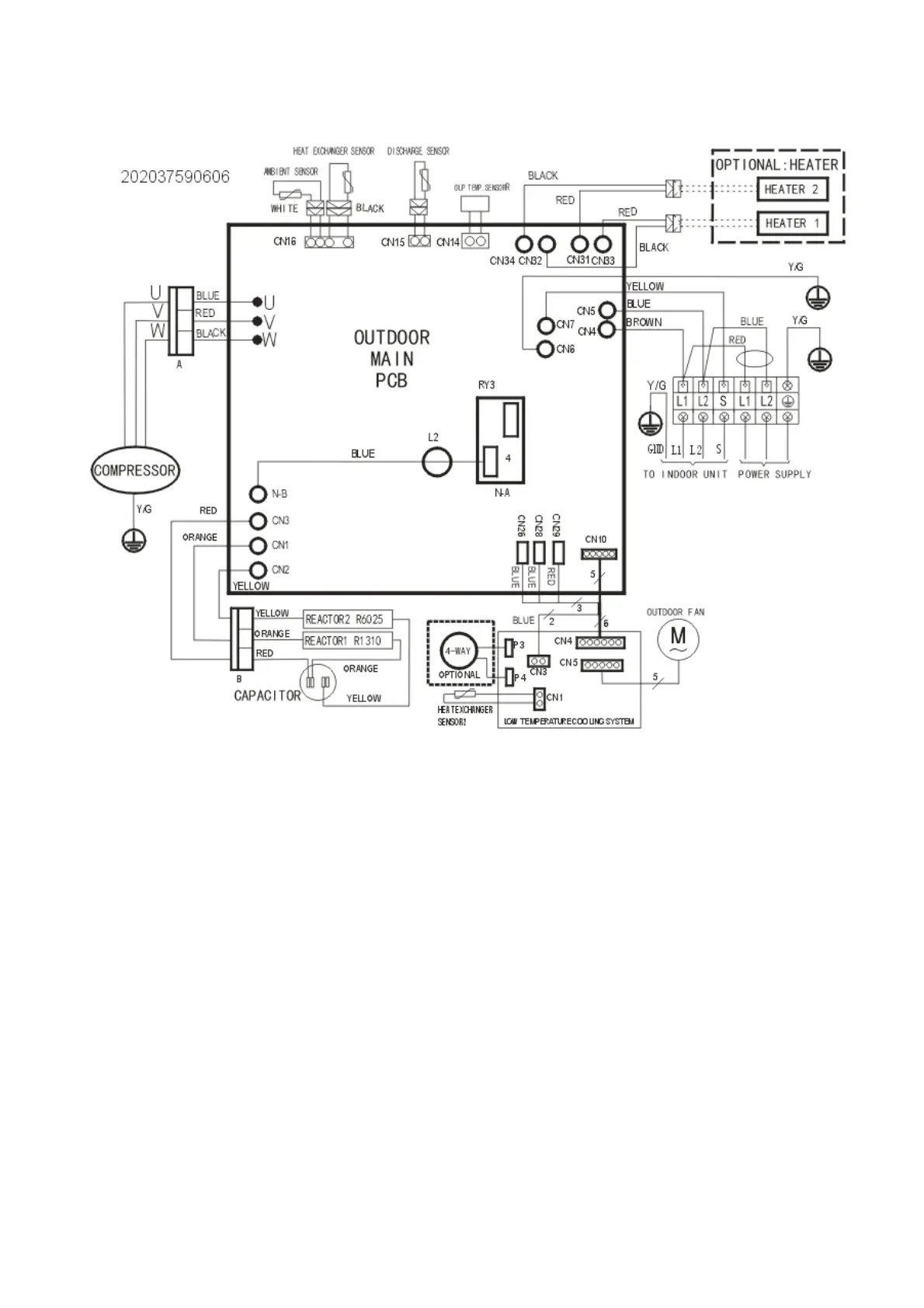
MOC-12HDN1-MQ0W with low ambient temp. cooling function

Related product manuals