EasyManua.ls Logo

Midea UR-PC160E-DQ - 5.3 Inside temperature; 5.4 Defrosting parts (None); 5.5 Circuit diagram

Midea UR-PC160E-DQ
39 pages
Print Icon
To Next Page IconTo Next Page
To Next Page IconTo Next Page
To Previous Page IconTo Previous Page
To Previous Page IconTo Previous Page
Loading...
Service Manual, 2016-12
13 / 39
5.3Inside temperature
Temperature tolerance ≤ 2°C
Compartment
The highest (°C)
Lowest (°C)
Refrigerating
7
-3
5.4Defrosting partsNone
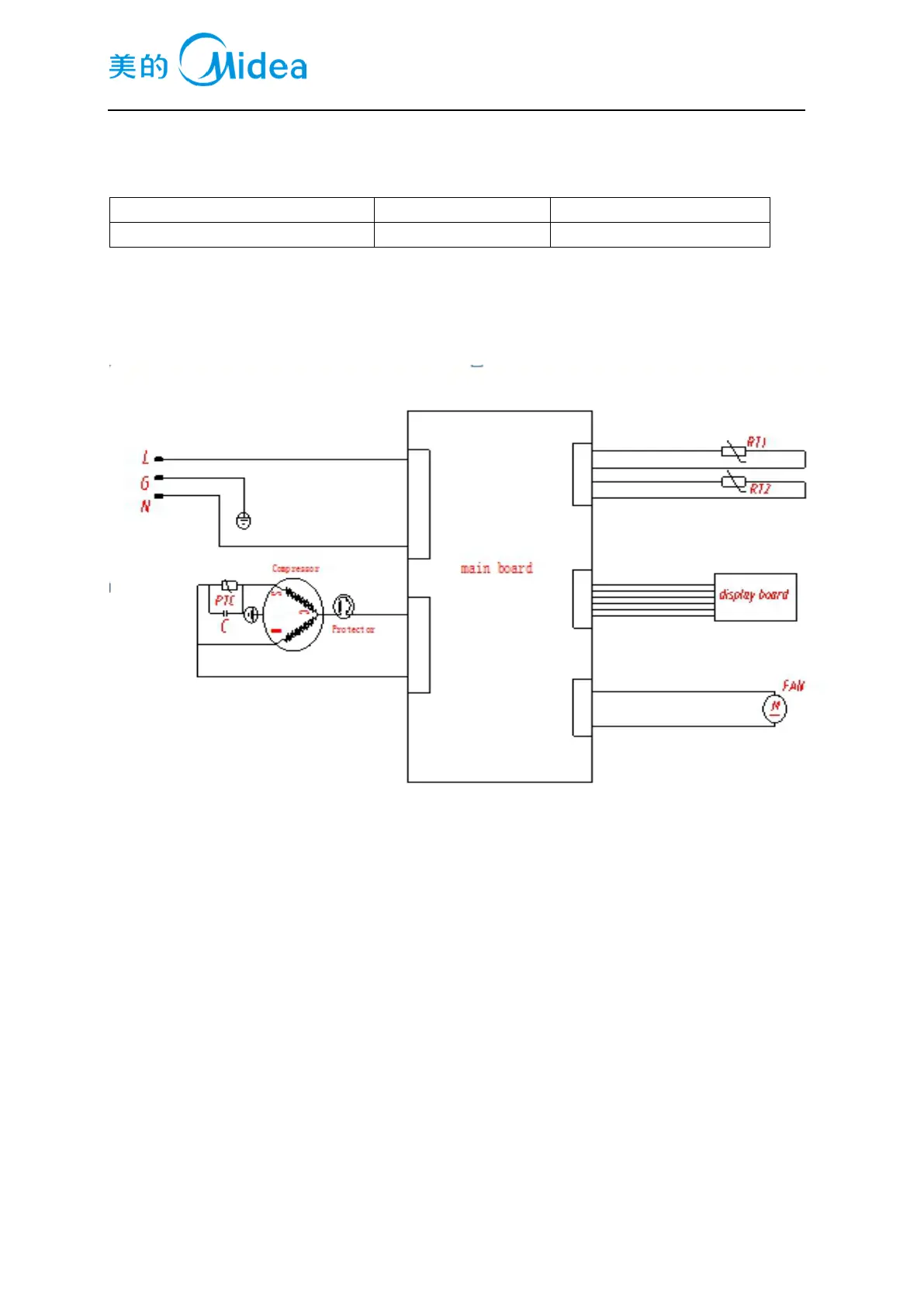
5.5Circuit diagram

Table of Contents

Related product manuals