EasyManua.ls Logo

Miele SmartLine - Air Duct Dimensions - Flush-Fit - Worktop Depth Greater than 600 MM

Miele SmartLine
80 pages
Print Icon
To Next Page IconTo Next Page
To Next Page IconTo Next Page
To Previous Page IconTo Previous Page
To Previous Page IconTo Previous Page
Loading...
Installation
*INSTALLATION*
65
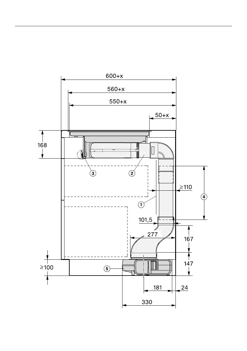
Air duct dimensions – flush-fit – worktop depth greater than
600mm
View from the side – right air duct connection

Related product manuals