EasyManua.ls Logo

Miele SmartLine - Page 68

Miele SmartLine
80 pages
Print Icon
To Next Page IconTo Next Page
To Next Page IconTo Next Page
To Previous Page IconTo Previous Page
To Previous Page IconTo Previous Page
Loading...
Installation
*INSTALLATION*
68
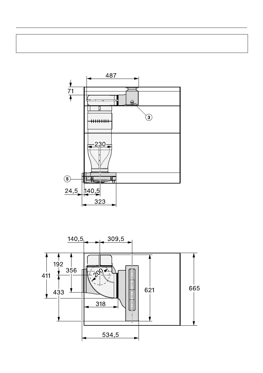
If you want to install the air duct to the left of the downdraft extractor, the
worktop must be at least 665mm deep.
View from the front – left air duct connection
View from above – left air duct connection

Related product manuals