EasyManua.ls Logo

Miller 9700W - Page 35

Miller 9700W
62 pages
Print Icon
To Next Page IconTo Next Page
To Next Page IconTo Next Page
To Previous Page IconTo Previous Page
To Previous Page IconTo Previous Page
Loading...
29
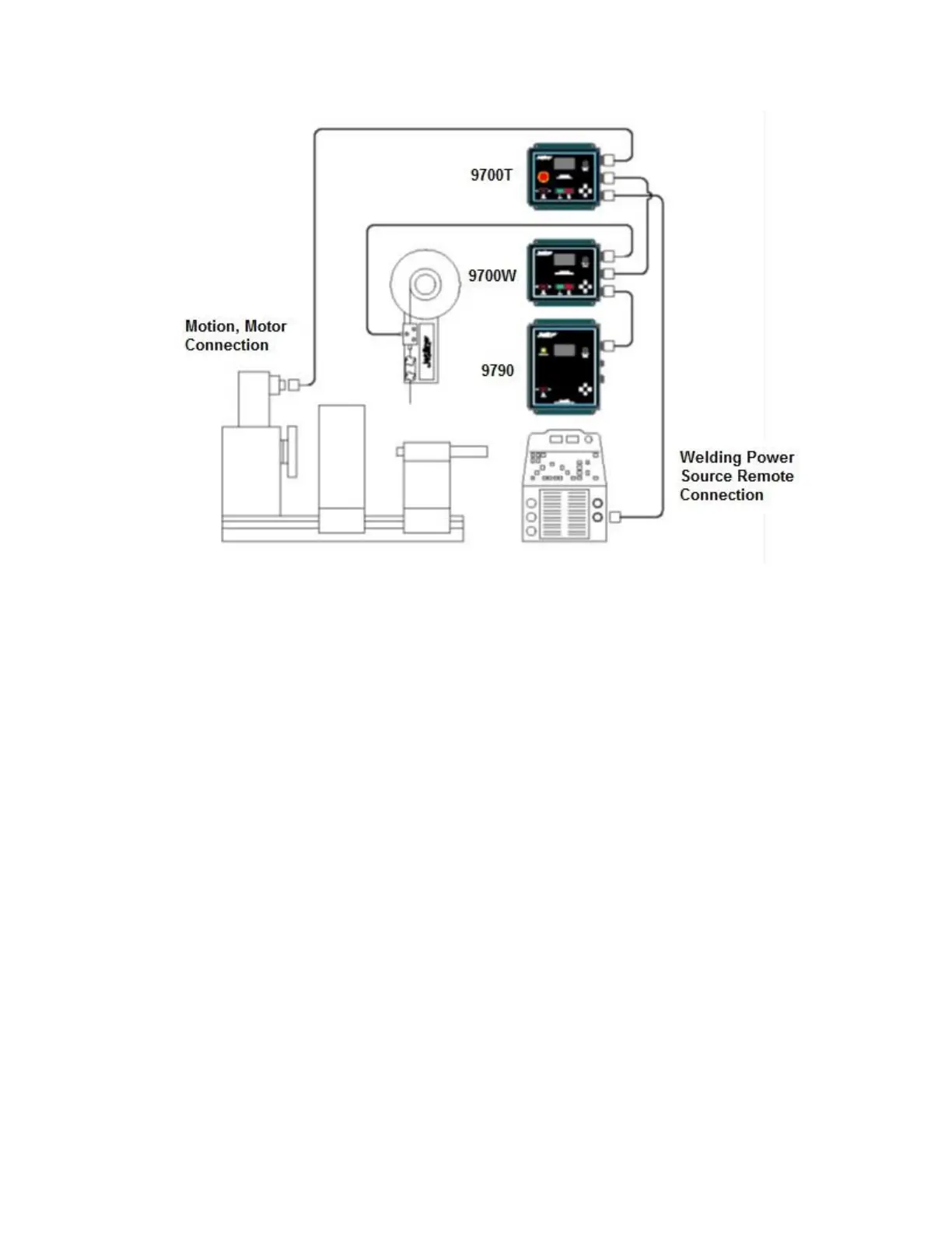
Figure 8: Typical Miller Welding Automation System Interconnection Schematic for a GTAW with Wire
Feeder and Arc Length Control.
NOTE: Fixture shown is rotation but connection same for linear.