EasyManua.ls Logo

Milpower Source M359-1 - Electrical Connections

Default Icon
30 pages
Print Icon
To Next Page IconTo Next Page
To Next Page IconTo Next Page
To Previous Page IconTo Previous Page
To Previous Page IconTo Previous Page
Loading...
MPS Doc: M359_USER_MANUAL REV G January 17, 2010 Page 8 of 30
7$)89#$#,$
+
3
,
:
1"1;<
,$=
18"1;<
&=
=$)3#
(1-"
,
8+8 
Notes:
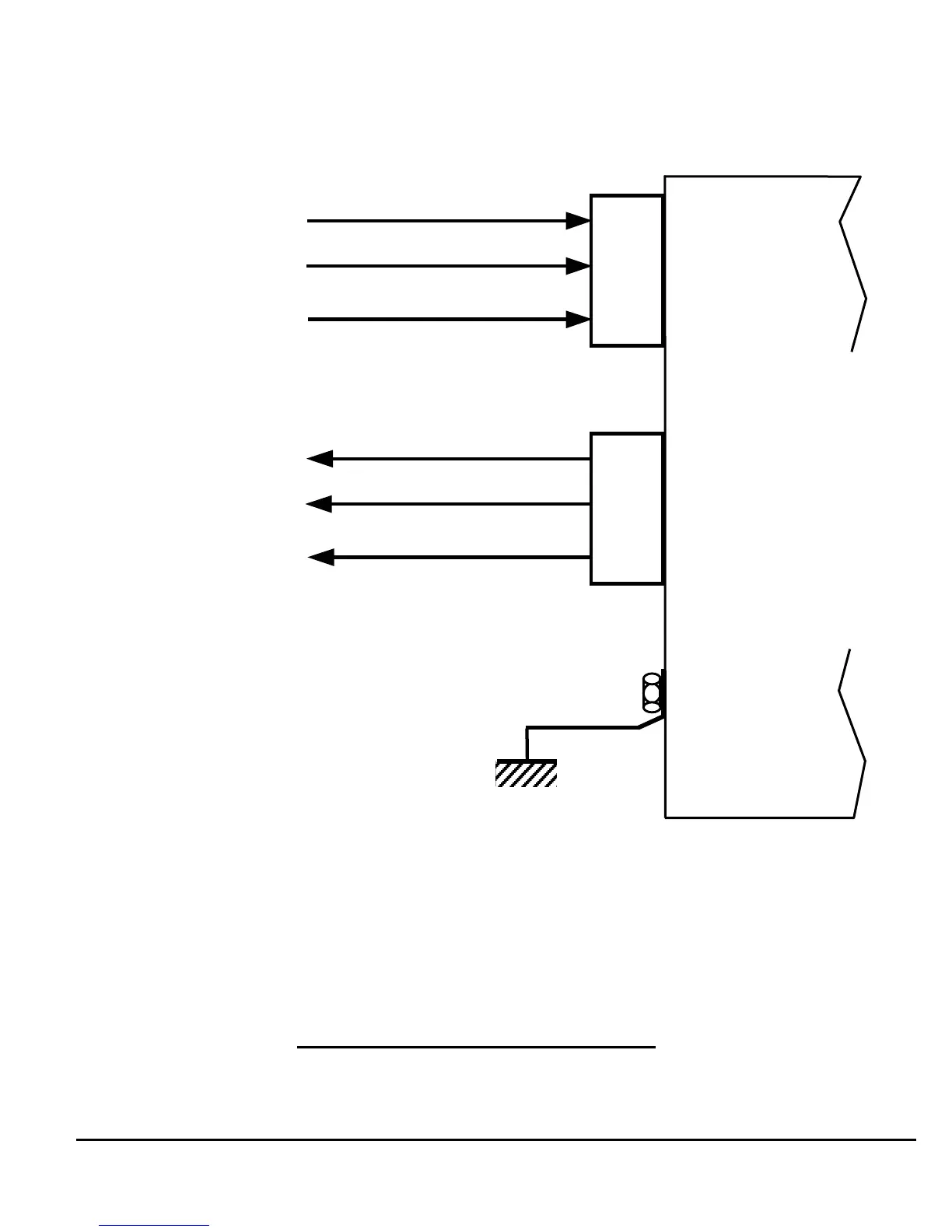
1) Use AWG #8 Wires.
2) Pin B of J2 (Output Neutral) is grounded inside the
UPS by a removable jumper. Caution: removing the
jumper will result in an ungrounded Neutral and
may lead to a safety hazard!
+
3
,
:8
,$=
+,-/0
+,-/#0
+,"1;<
!$"'5$
%#"#
"#*
+,,#1;<
9.$"!
(1"
,
8+8 1
M359’s Rear
Panel